Datasheet

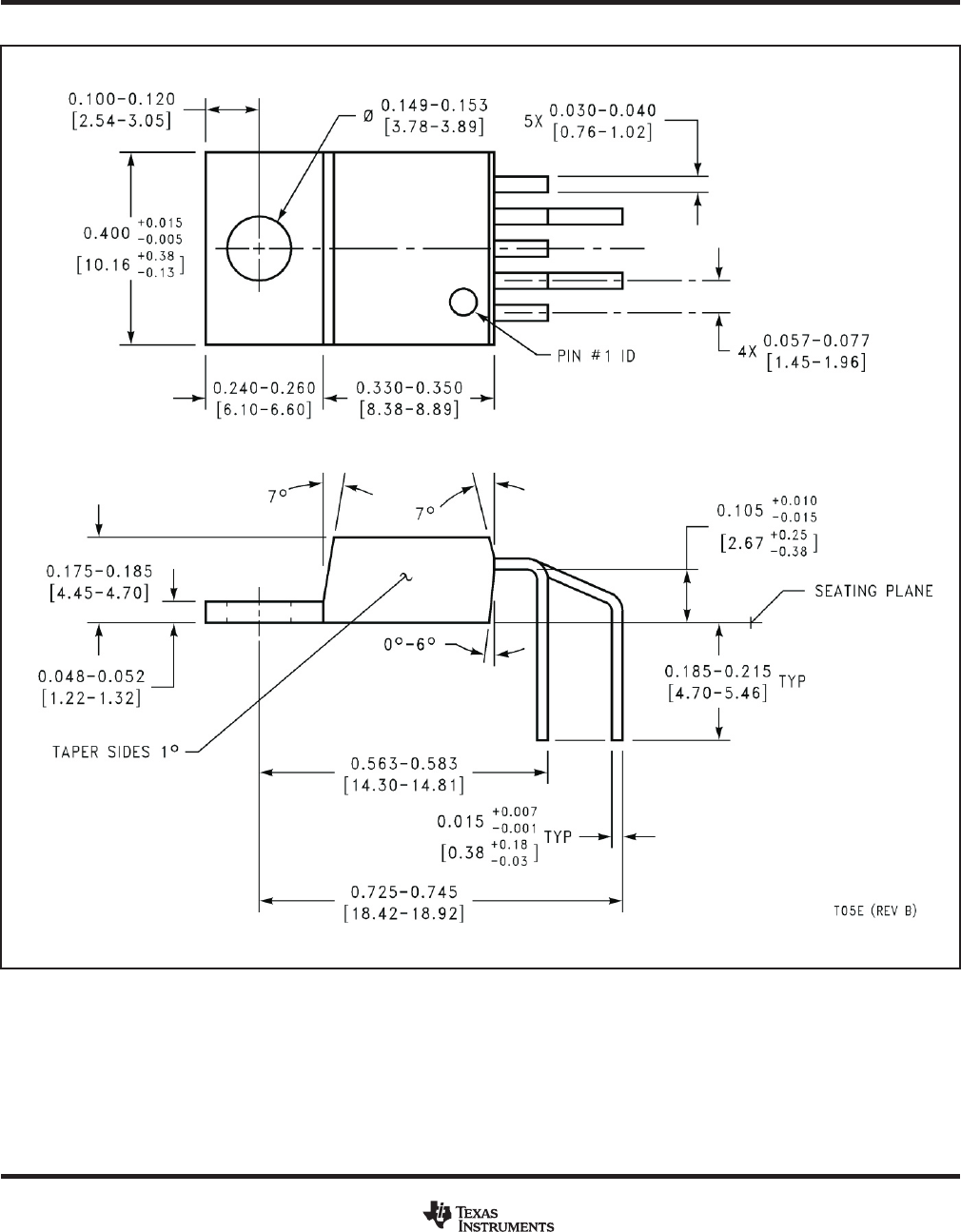
MECHANICAL DATA
NEB0005E
www.ti.com