Datasheet
Table Of Contents
- Features
- Applications
- Description
- Absolute Maximum Ratings
- Operating Conditions
- LM2596-3.3 Electrical Characteristics
- LM2596-5.0 Electrical Characteristics
- LM2596-12 Electrical Characteristics
- LM2596-ADJ Electrical Characteristics
- All Output Voltage Versions Electrical Characteristics
- Typical Performance Characteristics
- Test Circuit and Layout Guidelines
- Application Information
- EXTERNAL COMPONENTS
- FEEDFORWARD CAPACITOR (Adjustable Output Voltage Version)
- OUTPUT CAPACITOR
- CATCH DIODE
- INDUCTOR SELECTION
- DISCONTINUOUS MODE OPERATION
- OUTPUT VOLTAGE RIPPLE AND TRANSIENTS
- OPEN CORE INDUCTORS
- THERMAL CONSIDERATIONS
- DELAYED STARTUP
- UNDERVOLTAGE LOCKOUT
- INVERTING REGULATOR
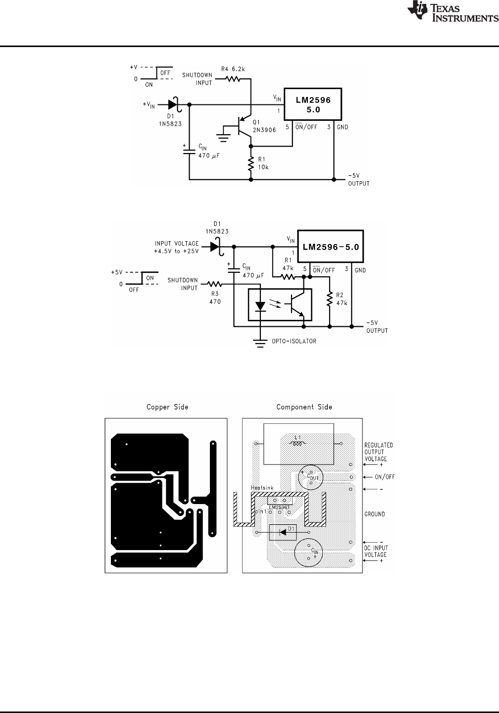
- INVERTING REGULATOR SHUTDOWN METHODS
- Revision History

LM2596
SNVS124C –NOVEMBER 1999–REVISED APRIL 2013
www.ti.com
Figure 39. Inverting Regulator Ground Referenced Shutdown
Figure 40. Inverting Regulator Ground Referenced Shutdown using Opto Device
TYPICAL THROUGH HOLE PC BOARD LAYOUT, FIXED OUTPUT (1X SIZE), DOUBLE SIDED
C
IN
—470 μF, 50V, Aluminum Electrolytic Panasonic, “HFQ Series”
C
OUT
—330 μF, 35V, Aluminum Electrolytic Panasonic, “HFQ Series”
D1—5A, 40V Schottky Rectifier, 1N5825
L1—47 μH, L39, Renco, Through Hole
Thermalloy Heat Sink #7020
30 Submit Documentation Feedback Copyright © 1999–2013, Texas Instruments Incorporated
Product Folder Links: LM2596










