Datasheet

LM2596
SNVS124C NOVEMBER 1999REVISED APRIL 2013
www.ti.com
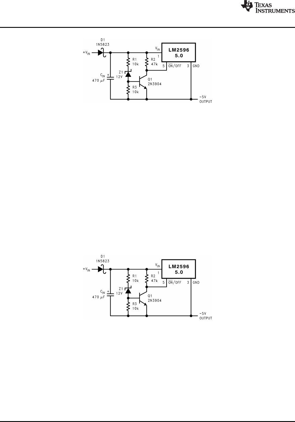
This circuit has an ON/OFF threshold of approximately 13V.
Figure 35. Undervoltage Lockout
for Inverting Regulator
This example uses the LM2596-5.0 to generate a 5V output, but other output voltages are possible by selecting
other output voltage versions, including the adjustable version. Since this regulator topology can produce an
output voltage that is either greater than or less than the input voltage, the maximum output current greatly
depends on both the input and output voltage. The curve shown in Figure 38 provides a guide as to the amount
of output load current possible for the different input and output voltage conditions.
The maximum voltage appearing across the regulator is the absolute sum of the input and output voltage, and
this must be limited to a maximum of 40V. For example, when converting +20V to 12V, the regulator would see
32V between the input pin and ground pin. The LM2596 has a maximum input voltage spec of 40V.
Additional diodes are required in this regulator configuration. Diode D1 is used to isolate input voltage ripple or
noise from coupling through the C
IN
capacitor to the output, under light or no load conditions. Also, this diode
isolation changes the topology to closley resemble a buck configuration thus providing good closed loop stability.
A Schottky diode is recommended for low input voltages, (because of its lower voltage drop) but for higher input
voltages, a fast recovery diode could be used.
Without diode D3, when the input voltage is first applied, the charging current of C
IN
can pull the output positive
by several volts for a short period of time. Adding D3 prevents the output from going positive by more than a
diode voltage.
This circuit has hysteresis
Regulator starts switching at V
IN
= 13V
Regulator stops switching at V
IN
= 8V
Figure 36. Undervoltage Lockout with Hysteresis for Inverting Regulator
28 Submit Documentation Feedback Copyright © 1999–2013, Texas Instruments Incorporated
Product Folder Links: LM2596