Datasheet
Table Of Contents

C16
22uF
C7
0.1uF
C20
1nF
R1
13k
Q1
FDS6690A
Q2
FDS6690A
L1
8.2uH
D3A
BAW56
D4
MBRS140T3
C8
100uF
R27
4R7
C5
10uF
GND
C2
10nF
VLIN5
R32
4R7
VDD
C25
0.1uF
R13
13k
Q3
FDS6690A
Q4
FDS6690A
L2
6uH
C22
100uF
D3B
BAW56
D5
MBRS140T3
C17
10uF
C13
10nF
R33
4R7
VDD
VIN
VLIN5
R28
220k
FB1
4
ILIM1
2
SGND
8
COMP1
3
ON/SS1
9
COMP2
12
RSNS1
28
KS1
1
SW1
27
HDRV1
26
CBOOT1
25
VDD1
24
LDRV1
23
PGND
21
VIN
22
VLIN5
7
PGOOD1
5
VDD2
19
UV_DELAY
6
FB2
11
ILIM2
13
RSNS2
15
KS2
14
SW2
16
HDRV2
17
CBOOT2
18
LDRV2
20
IC1
LM2642
VDD
5V/3A
PGOOD1
R10
60k4
R11
20k
R19
33k2
R20
20k
3.3V/3A
C1
1uF
C34
0.1uF
ON/SS2
10
C12
10nF
C11
10nF
C6
22uF
C26
4.7uF
C27
1uF
C19
1nF
R24
20k
R23
20k
Vo1
Vo2
+
+
+
+
+
VIN
6V-30V
LM2642
www.ti.com
SNVS203I –MAY 2002–REVISED APRIL 2013
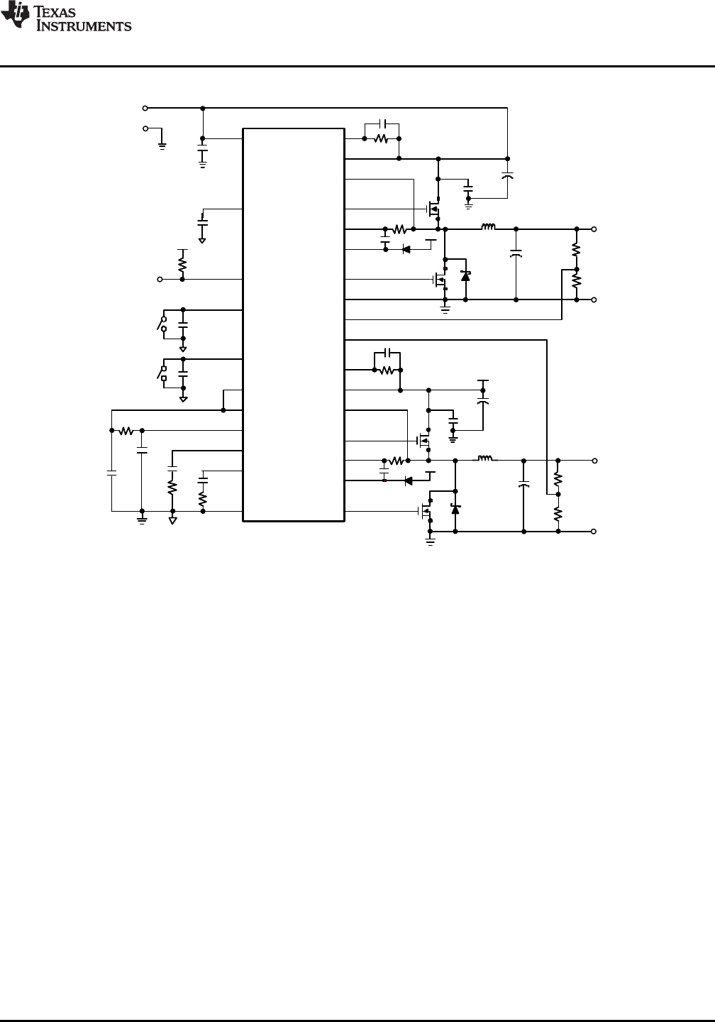
Figure 2. Typical 2 Channel Application Circuit
Copyright © 2002–2013, Texas Instruments Incorporated Submit Documentation Feedback 7
Product Folder Links: LM2642










