Datasheet
Table Of Contents

VIN+ 4.5V-20V
GND
UV_DELAY
PGOOD1
ON/SS1
ON/SS2
COMP1
COMP2
VLIN5
VDD1
VDD2
SGND
FB2
LDRV2
CBOOT2
SW2
HDRV2
RSNS2
KS2
ILIM2
FB1
PGND
LDRV1
CBOOT1
SW1
HDRV1
RSNS1
KS1
ILIM1
VIN
IC1
LM2642
+ +
+
+
VDD
VDD
VIN
VLIN5
Vout
1.8V/14A
GND
C8
C23
220uF
220uF
220uF
C22
220uF
C9
C25
0.1uF
D3B
L2
3u6H
4R7
R33
D5
Q4
Q3
R16
100R
100R
R14
R13
11K
C15
100pF
C17
C16
10uF
22uF
10nF 100pFC13 C14
C2
C3
C5
C6
C7
R1 R2
R7
R6
C4
R32
L1
D4
Q2
R10
R11
D3A
3u6H
9k
20k
0.1uF
4R7
Q1
100R
100R11k
12m
R15
12m
10nF
100pF
100pF
22uF
10uF
2.2nF
470pF
20k
4R7
1uF
4.7uF
R27
C27
C26
R23
C19
C18
C11
22nF
S1
R28
220K
C34
0.1uF
C1
1uF
PGOOD1
ON1/2
LM2642
SNVS203I –MAY 2002–REVISED APRIL 2013
www.ti.com
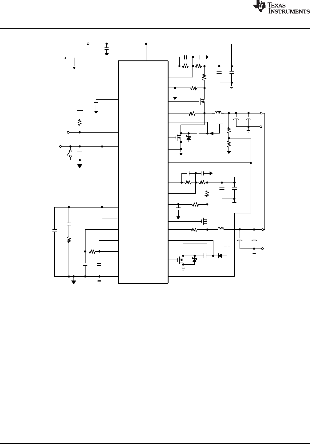
Figure 3. Typical Single Channel Application Circuit
8 Submit Documentation Feedback Copyright © 2002–2013, Texas Instruments Incorporated
Product Folder Links: LM2642










