Datasheet
Table Of Contents

-
Vref
+
-
ILIMx
KSx
10uA
RSNSx
+
VDDx
LDRVx
PGNDx
Input Power
Supply
Shoot through
protection
sequencer
Q
Q
R
S
Shifter
& latch
+
-
+
0.50V
+
-
Corrective
ramp
SGND
OSC
300 kHz
0 180
To Ch2
PGOOD
Q
Q
R
S
Reset by
POR or SD
UVP
OVP
ON/SSx
ON/OFF
&
S/S
control
PWM comp
5V LDO
(Allways ON)
fault
FAULT
TSD
UVLO
OVP
UVPG1
comparator
UVP
COMPx
CHx
output
error amp
BG
Ch1 and Ch2 are identical
HDRVx
CHx
Output
S/S level
Cycle
Skip
comp
SWx
Q
Q
R
S
UV_DELAY
+
-
+
-
ILIM
Comp
ISENSE
amp
+
-
CBOOTx
-
+
BG
reference
BG
IREF
Current
bias
Voltage
and
Current
generator
From another Ch.
From
another
CH.
Bias
Generator
VIN
Normal:
ON
SS:
ON
FBx
2uA
VLIN5
7uA
SD Disable
Active
discharge
Rdson=
500 Ohm
5uA
UV
PWM logic
control
LM2642
www.ti.com
SNVS203I –MAY 2002–REVISED APRIL 2013
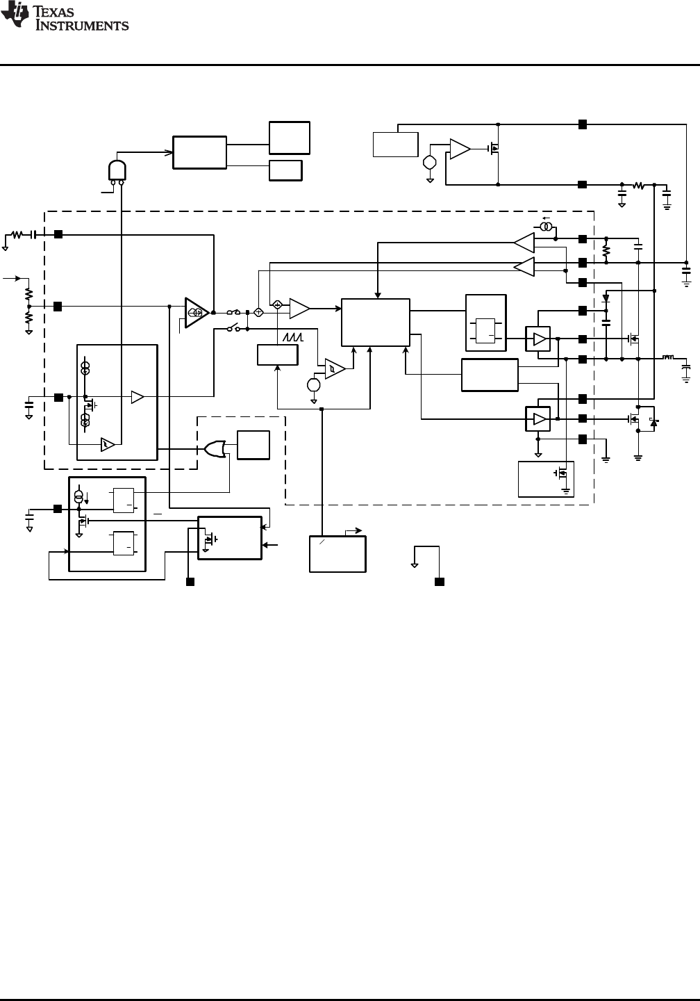
BLOCK DIAGRAM
Copyright © 2002–2013, Texas Instruments Incorporated Submit Documentation Feedback 9
Product Folder Links: LM2642










