Datasheet
Table Of Contents

LM2665
SNVS009F –NOVEMBER 1999–REVISED MAY 2013
www.ti.com
The selection of capacitors is based on the specifications of the dropout voltage (which equals I
out
R
out
), the
output voltage ripple, and the converter efficiency. Low ESR capacitors () are recommended to maximize
efficiency, reduce the output voltage drop and voltage ripple.
Low ESR Capacitor Manufacturers
Manufacturer Phone Capacitor Type
Nichicon Corp. (708)-843-7500 PL & PF series, through-hole aluminum electrolytic
AVX Corp. (803)-448-9411 TPS series, surface-mount tantalum
Sprague (207)-324-4140 593D, 594D, 595D series, surface-mount tantalum
Sanyo (619)-661-6835 OS-CON series, through-hole aluminum electrolytic
Murata (800)-831-9172 Ceramic chip capacitors
Taiyo Yuden (800)-348-2496 Ceramic chip capacitors
Tokin (408)-432-8020 Ceramic chip capacitors
Other Applications
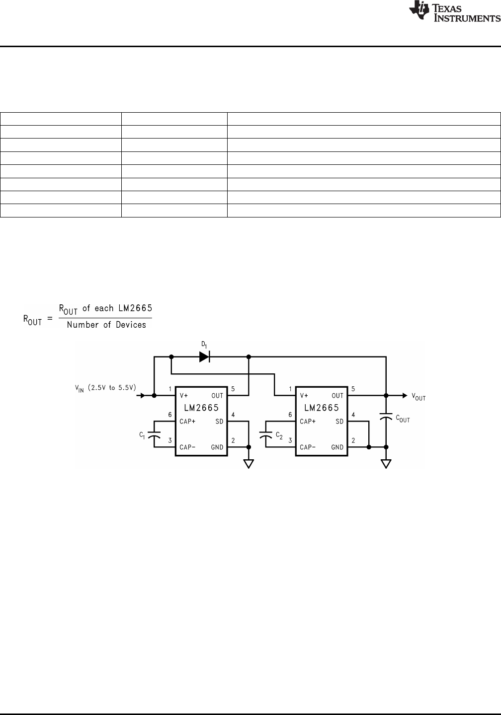
PARALLELING DEVICES
Any number of LM2665s can be paralleled to reduce the output resistance. Each device must have its own
pumping capacitor C
1
, while only one output capacitor C
out
is needed as shown in Figure 14. The composite
output resistance is:
(4)
Figure 14. Lowering Output Resistance by Paralleling Devices
CASCADING DEVICES
Cascading the LM2665s is an easy way to produce a greater voltage (A two-stage cascade circuit is shown in
Figure 15).
The effective output resistance is equal to the weighted sum of each individual device:
R
out
= 1.5R
out_1
+ R
out_2
(5)
Note that, the increasing of the number of cascading stages is pracitically limited since it significantly reduces the
efficiency, increases the output resistance and output voltage ripple.
8 Submit Documentation Feedback Copyright © 1999–2013, Texas Instruments Incorporated
Product Folder Links: LM2665










