Datasheet
Manuals
Brands
TEXAS INSTRUMENTS Manuals
PMICs
PMIC - DC/DC voltage regulator Switched-capacitor voltage converter SOT 23 6
7
8
9
10
11
12
13
14
15
16
Table Of Contents
Features
Applications
Description
Basic Application Circuits
Absolute Maximum Ratings
Electrical Characteristics
Test Circuit
Typical Performance Characteristics
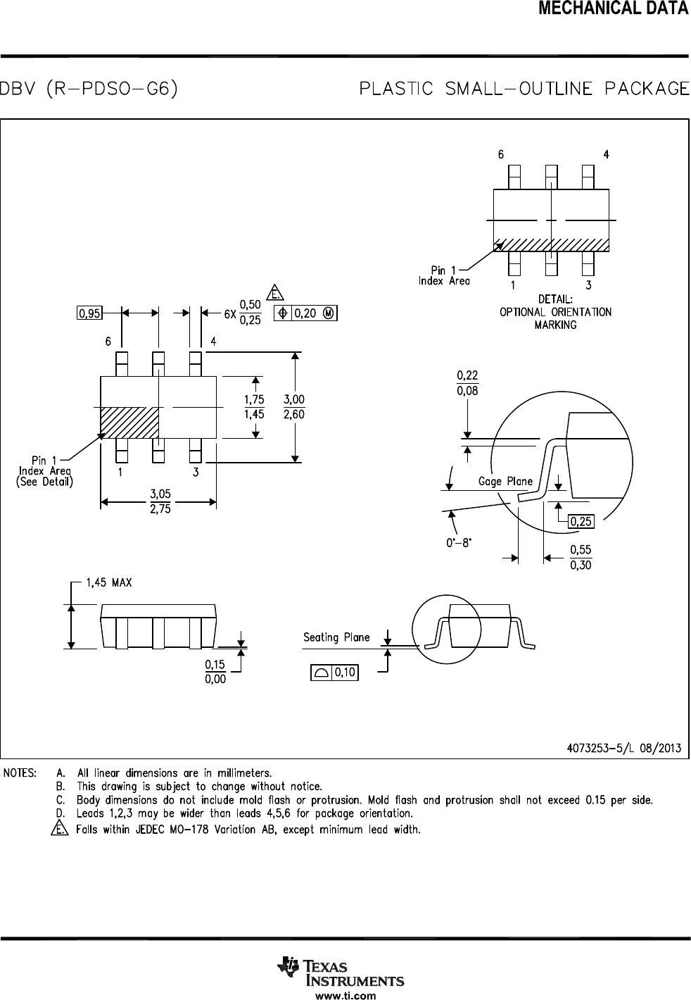
Connection Diagram
6-Pin Small Outline Package
Circuit Description
APPLICATION INFORMATION
POSITIVE VOLTAGE DOUBLER
SPLIT V+ IN HALF
SHUTDOWN MODE
CAPACITOR SELECTION
Other Applications
Revision History
1
...
...
13
14
15
16