Datasheet
Table Of Contents

1
2
3
6
5
4
LM2665
SNVS009F –NOVEMBER 1999–REVISED MAY 2013
www.ti.com
CONNECTION DIAGRAM
6-Pin Small Outline Package
Figure 11. DBV Package Top View Figure 12. Actual Size
Pin Functions
Function
Pin Name
Voltage Doubler Voltage Split
1 V+ Power supply positive voltage input. Positive voltage output.
2 GND Power supply ground input Same as doubler
3 CAP− Connect this pin to the negative terminal of the charge- Same as doubler.
pump capacitor
4 SD Shutdown control pin, tie this pin to ground in normal Same as doubler.
operation.
5 OUT Positive voltage output. Power supply positive voltage input
6 CAP+ Connect this pin to the positive terminal of the charge-pump Same as doubler
capacitor.
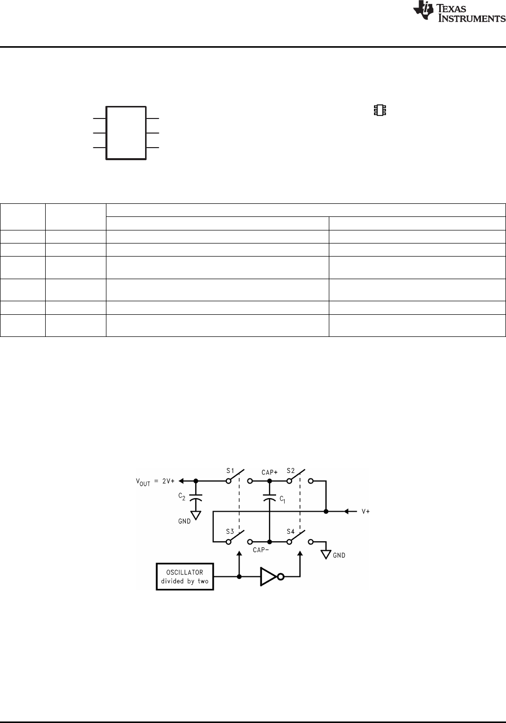
Circuit Description
The LM2665 contains four large CMOS switches which are switched in a sequence to double the input supply
voltage. Energy transfer and storage are provided by external capacitors. Figure 13 illustrates the voltage
conversion scheme. When S
2
and S
4
are closed, C
1
charges to the supply voltage V+. During this time interval,
switches S
1
and S
3
are open. In the next time interval, S
2
and S
4
are open; at the same time, S
1
and S
3
are
closed, the sum of the input voltage V+ and the voltage across C
1
gives the 2V+ output voltage when there is no
load. The output voltage drop when a load is added is determined by the parasitic resistance (R
ds(on)
of the
MOSFET switches and the ESR of the capacitors) and the charge transfer loss between capacitors. Details will
be discussed in the following application information section.
Figure 13. Voltage Doubling Principle
6 Submit Documentation Feedback Copyright © 1999–2013, Texas Instruments Incorporated
Product Folder Links: LM2665










