Datasheet
Table Of Contents
- Features
- Typical Applications
- Description
- Absolute Maximum Ratings
- Operating Ratings
- LM2675-3.3 Electrical Characteristics
- LM2675-5.0 Electrical Characteristics
- LM2675-12 Electrical Characteristics
- LM2675-ADJ Electrical Characteristics
- All Output Voltage Versions Electrical Characteristics
- Typical Performance Characteristics
- Block Diagram
- Typical Performance Characteristics
- Test Circuit and Layout Guidelines
- Application Information
- Page 1

1
2
3
4
7
8
9
10
5
6
11
12
13
14
15
16
C
B
*
*
*
*
FB
*
*
V
SW
V
SW
V
IN
GND
GND
ON/OFF
* No Connections
*
*
DAP
**
**Connect to Pins 11, 12 on PCB
LM2675
SNVS129E –MAY 2004–REVISED JUNE 2005
www.ti.com
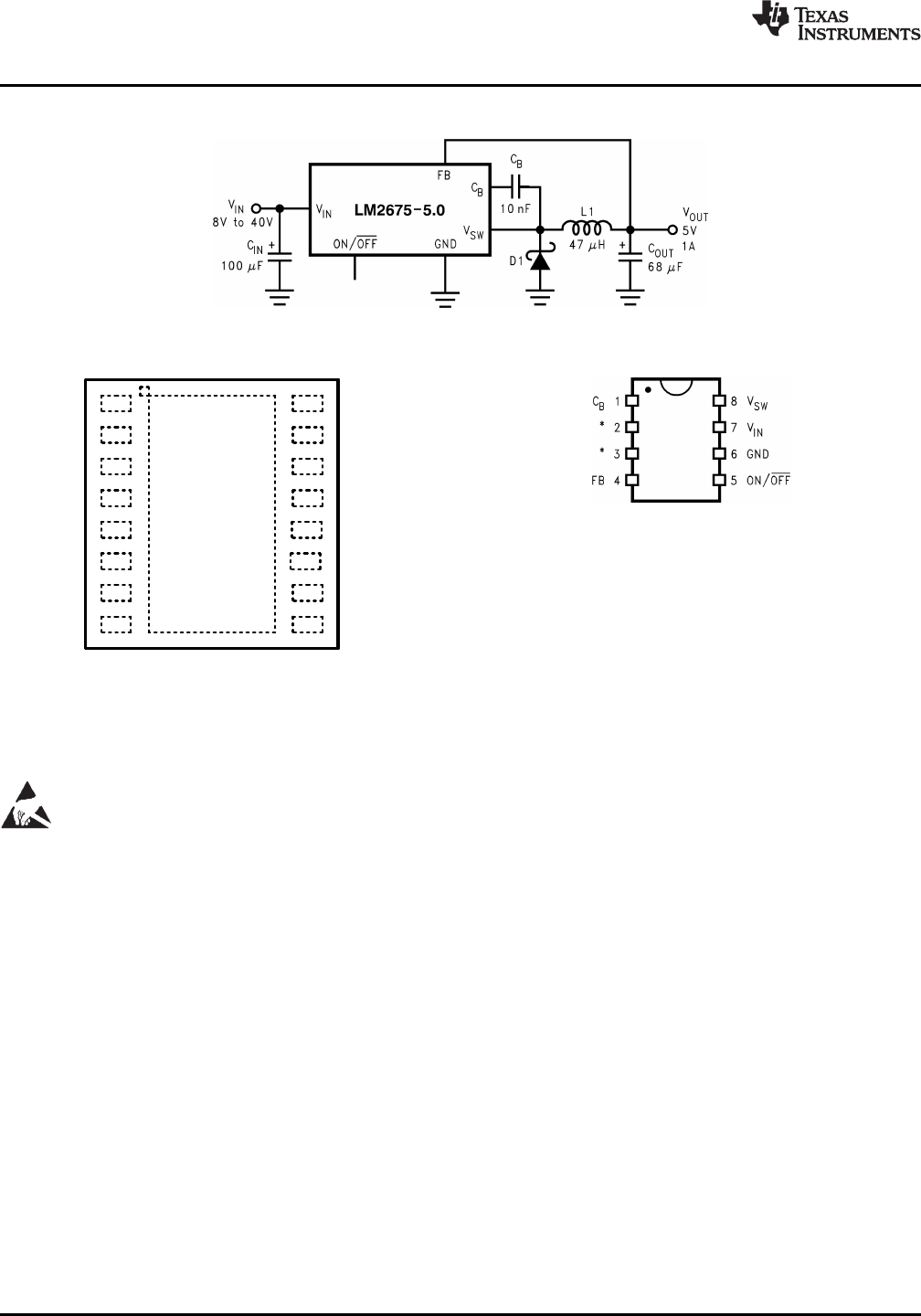
Typical Application
Connection Diagram
Figure 1. 16-Lead WSON Surface Mount Package Figure 2. 8-Lead SOIC/PDIP Package
Top View Top View
Package Drawing Number NHN0016A Package Drawing Number D0008A/P0008E
These devices have limited built-in ESD protection. The leads should be shorted together or the device placed in conductive foam
during storage or handling to prevent electrostatic damage to the MOS gates.
2 Submit Documentation Feedback Copyright © 2004–2005, Texas Instruments Incorporated
Product Folder Links: LM2675










