Datasheet
Table Of Contents
- LM2853
- General Description
- Features
- Applications
- Typical Application Circuit
- Connection Diagram
- Ordering Information
- Pin Descriptions
- Absolute Maximum Ratings
- Operating Ratings
- Electrical Characteristics
- Typical Performance Characteristics
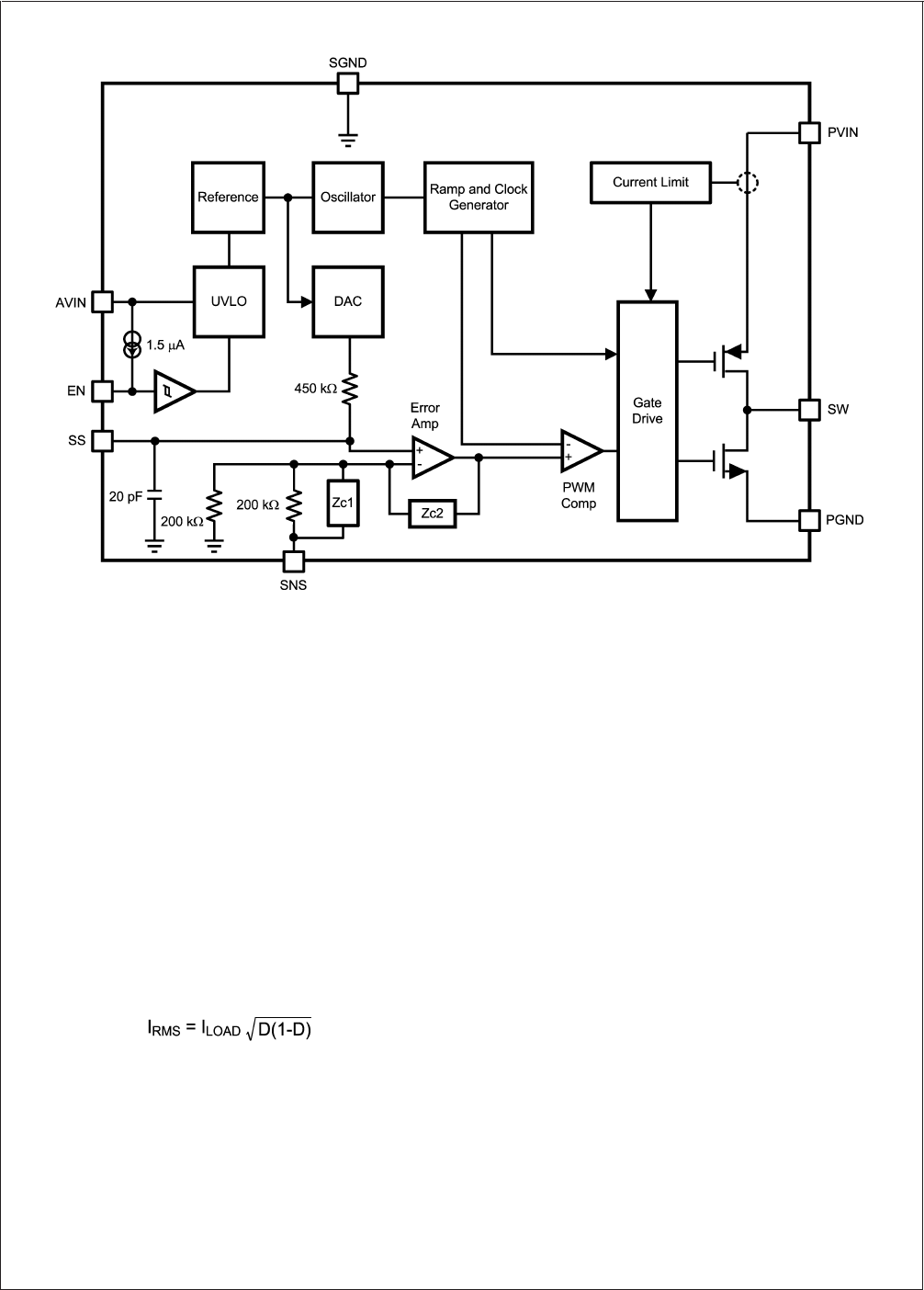
- Block Diagram
- Applications Information
- LM2853 Example Circuit Schematic
- Physical Dimensions

Block Diagram
20201512
Applications Information
The LM2853 is a DC-DC buck regulator belonging to Na-
tional Semiconductor’s synchronous SIMPLE SWITCHER
®
family. Integration of the PWM controller, power switches
and compensation network greatly reduces the component
count required to implement a switching power supply. A
typical application requires only four components: an input
capacitor, a soft-start capacitor, an output filter capacitor and
an output filter inductor.
INPUT CAPACITOR (C
IN
)
Fast switching of large currents in the buck converter places
a heavy demand on the voltage source supplying PVIN. The
input capacitor, C
IN
, supplies extra charge when the switcher
needs to draw a burst of current from the supply. The RMS
current rating and the voltage rating of the C
IN
capacitor are
therefore important in the selection of C
IN
. The RMS current
specification can be approximated by:
where D is the duty cycle, V
OUT
/V
IN
.C
IN
also provides
filtering of the supply. Trace resistance and inductance de-
grade the benefits of the input capacitor, so C
IN
should be
placed very close to PVIN in the layout. A 22 µF or 47 µF
ceramic capacitor is typically sufficient for C
IN
. In parallel
with the large input capacitance a smaller capacitor should
be added such asa1µFceramic for higher frequency
filtering. Ceramic capacitors with high quality dielectrics such
as X5R or X7R should be used to provide a constant capaci-
tance across temperature and line variations. For improved
load regulation and transient performance, the use of a small
1 µF ceramic capacitor is also recommended as a local
bypass for the AVIN pin.
SOFT-START CAPACITOR (C
SS
)
The DAC that sets the reference voltage of the error ampli-
fier sources a current through a resistor to set the reference
voltage. The reference voltage is one half of the output
voltage of the switcher due to the 200 kΩ divider connected
to the SNS pin. Upon start-up, the output voltage of the
switcher tracks the reference voltage with a two to one ratio
as the DAC current charges the capacitance connected to
the reference voltage node. Internal capacitance of 20 pF is
permanently attached to the reference voltage node which is
also connected to the soft start pin, SS. Adding a soft-start
capacitor externally increases the time it takes for the output
voltage to reach its final level. The charging time required for
the reference voltage can be estimated using the RC time
constant of the DAC resistor and the capacitance connected
to the SS pin. Three RC time constant periods are needed
for the reference voltage to reach 95% of its final value. The
actual start up time will vary with differences in the DAC
resistance and higher-order effects.
If little or no soft-start capacitance is connected, then the
start up time may be determined by the time required for the
current limit current to charge the output filter capacitance.
The capacitor charging equationI=C∆V/∆t can be used to
estimate the start-up time in this case. For example, a part
with a 3V output, a 100 µF output capacitance and a 5A
current limit threshold would require a time of 60 µs:
LM2853
www.national.com7










