Datasheet
Table Of Contents

C
BST
EN
SS
BST
SW
ON TIMER
Ron
START
COMPLETE
UVLO
THERMAL
SHUTDOWN
LEVEL
SHIFT
L
LM3150
AVDD
DRIVER
REGULATION
COMPARATOR
VDD
LOGIC
DrvH
DrvL
CURRENT LIMIT
COMPARATOR
DRIVER
GND
V
bias
VDD
t
off
OFF TIMER
PMOS
input
FB
EN
VIN
RON
VIN
C
VCC
VCC
P
GND
PGND
C
IN
R
ON
V
CC
C
SS
SGND
HG
VDD
ILIM
LG
ERM CONTROL
Zero
Current
Detect
VCC
1.20V
6V LDO
0.72V
0.6V
V
IN
V
OUT
C
OUT
R
FB1
R
FB2
R
LIM
I
LIM-TH
START
COMPLETE
0.72V
M2
M1
I
SS
V
FB-OV
and
SHORT
CIRCUIT
PROTECTION
1.20V
GND
0.36V
1 M5
6V
V
ref
= 0.6V
LM3150
www.ti.com
SNVS561D –SEPTEMBER 2008–REVISED MARCH 2011
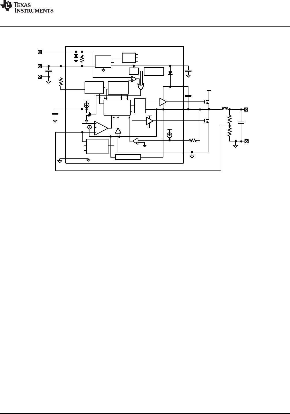
Simplified Block Diagram
Copyright © 2008–2011, Texas Instruments Incorporated Submit Documentation Feedback 5
Product Folder Links: LM3150










