Datasheet
Table Of Contents

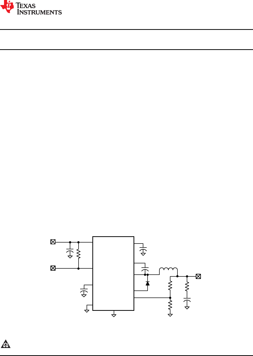
FB
SW
LM34914
BST
V
CC
ISEN
RON/SD
V
IN
C1
SHUT
DOWN
SS
RTN
SGND
R
ON
C5
8V - 40V
Input
C3
C4
L1
D1
R1 R3
R2
C2
V
OUT
LM34914
www.ti.com
SNVS453B –MAY 2006–REVISED MARCH 2013
LM34914 Ultra Small 1.25A Step-Down Switching Regulator with Intelligent Current Limit
Check for Samples: LM34914
1
FEATURES
DESCRIPTION
The LM34914 Step-Down Switching Regulator
2
• Input Voltage Range: 8V to 40V
features all the functions needed to implement a low
• Integrated N-Channel Buck Switch
cost, efficient, buck bias regulator capable of
• Valley Current Limit Varies with V
IN
and V
OUT
supplying at least 1.25A to the load. To reduce
to Reduce Excessive Inductor Current
excessive switch current due to the possibility of a
saturating inductor the valley current limit threshold
• On-time is Reduced when in Current Limit
changes with input and output voltages, and the on-
• Integrated Start-Up Regulator
time is reduced when current limit is detected. This
• No Loop Compensation Required
buck regulator contains a 44V N-Channel Buck
Switch, and is available in the thermally enhanced 3
• Ultra-Fast Transient Response
mm x 3 mm WSON-10 package. The feedback
• Maximum Switching Frequency: 1.3 MHz
regulation scheme requires no loop compensation,
• Operating Frequency Remains Nearly
results in fast load transient response, and simplifies
Constant with Load Current and Input Voltage
circuit implementation. The operating frequency
Variations remains constant with line and load variations due to
the inverse relationship between the input voltage
• Programmable Soft-Start
and the on-time. The valley current limit results in a
• Precision Internal Reference
smooth transition from constant voltage to constant
• Adjustable Output Voltage
current mode when current limit is detected, reducing
the frequency and output voltage, without the use of
• Thermal Shutdown
foldback. Additional features include: VCC under-
voltage lock-out, thermal shutdown, gate drive under-
TYPICAL APPLICATIONS
voltage lock-out, and maximum duty cycle limit.
• High Efficiency Point-Of-Load (POL) Regulator
Package
• Non-Isolated Buck Regulator
• WSON-10 (3 mm x 3mm)
• Secondary High Voltage Post Regulator
• Exposed Thermal Pad For Improved Heat
Dissipation
Basic Step Down Regulator
1
Please be aware that an important notice concerning availability, standard warranty, and use in critical applications of
Texas Instruments semiconductor products and disclaimers thereto appears at the end of this data sheet.
2All trademarks are the property of their respective owners.
PRODUCTION DATA information is current as of publication date.
Copyright © 2006–2013, Texas Instruments Incorporated
Products conform to specifications per the terms of the Texas
Instruments standard warranty. Production processing does not
necessarily include testing of all parameters.










