Datasheet
Table Of Contents

FB
SW
RTN
BST
SS
C3
LM34914
SD
+
-
SGND
ISEN
Input
GND
RON/SD
+
-
ON TIMER
LOGIC
FINISH
START
Driver
FB
8V - 40V
2.5V
2.9V
0.8V
C4
L1
D1
R1 R3
R2
C2
C5
C1
C6
R
ON
CURRENT LIMIT
COMPARATOR
OVER-VOLTAGE
COMPARATOR
REGULATION
COMPARATOR
VIN VCC
V
OUT
V
IN
V
IN
R
SENSE
12.5 PA
41 m:
R
ON
THERMAL
SHUTDOWN
7V START-UP
REGULATOR
LEVEL
SHIFT
Gate Drive
UVLO
V
CC
UVLO
CL
Threshold
Adjust
MINIMUM
OFF TIMER
START
FINISH
' Ton
LM34914
www.ti.com
SNVS453B –MAY 2006–REVISED MARCH 2013
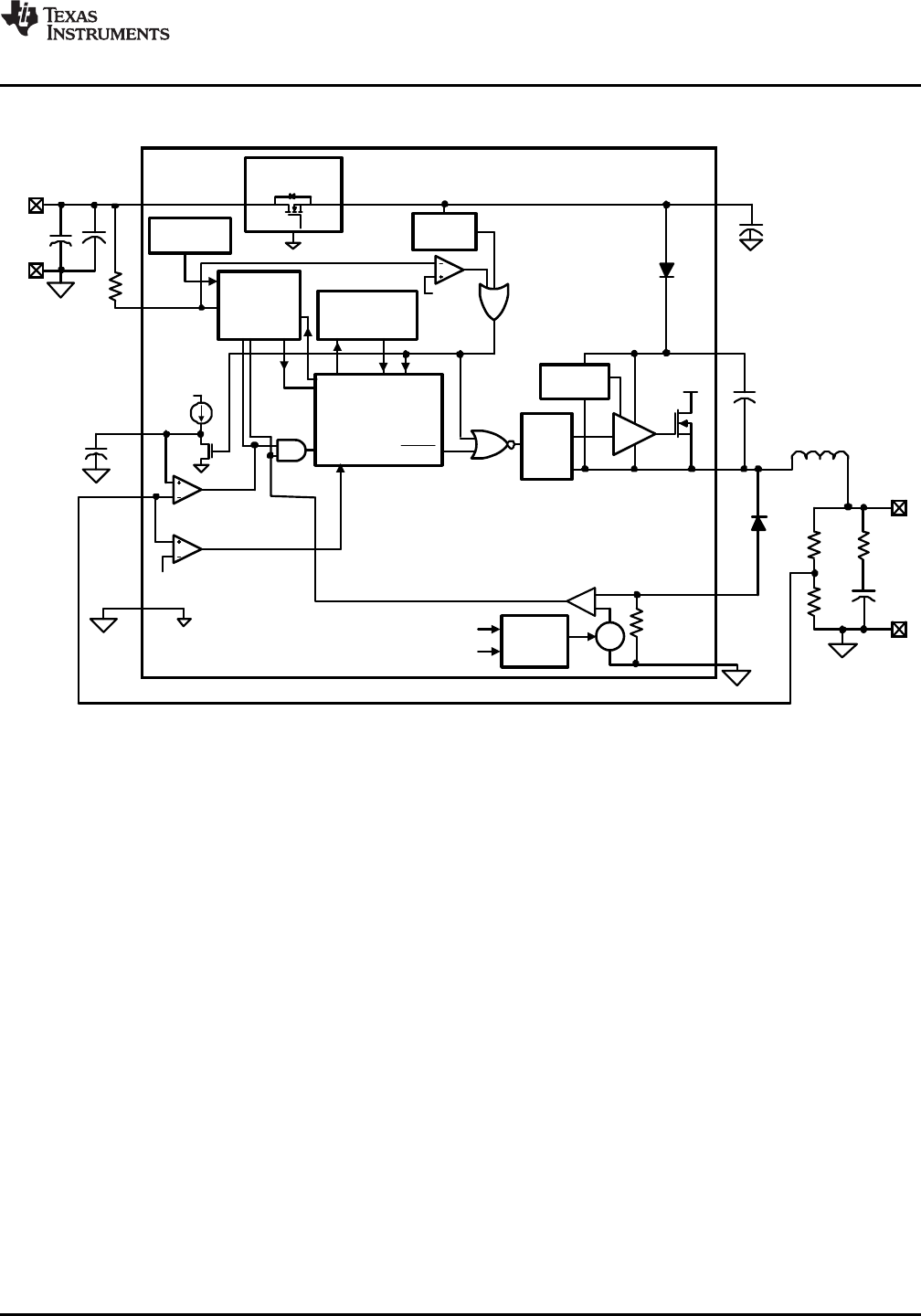
Typical Application Circuit and Block Diagram
Copyright © 2006–2013, Texas Instruments Incorporated Submit Documentation Feedback 7
Product Folder Links: LM34914










