Datasheet
Table Of Contents
- Features (LM4121-1.2)
- Applications
- Description
- Absolute Maximum Ratings
- Operating Range
- Electrical Characteristics LM4121-1.250V
- Electrical Characteristics LM4121-ADJ
- LM4121- (All Options) Typical Operating Characteristics
- LM4121-1.25 Typical Operating Characteristics
- LM4121-ADJ Typical Operating Characteristics
- Application Hints
- Revision History

LM4121-ADJ
100k +6V
2.2PF
+
+
47PF
0.022PF
1:
GND
EN
V
OUT
ADJ
T
ON
#
(
6 - 1.3
)
100k
47PF
T
OFF
#
(
1.3
)
100k
47PF
. (0.15)
. (0.15)
V
IN
#4
7
12.1k
10k
0.022PF
2.2PF
+
3.3:
V
BATT
EN
ADJ
GND
V
OUT
LM4121-ADJ
V
IN
LED = ON @
2.7V
#
LED = OFF @
2.8V
#
EN
3.4k
OUT
IN
0.022PF
ADJ
GND
V
OUT
LM4121-ADJ
V
CC
= 2.5-5V
51:
2.2PF
+
50mVHYST
#
V
IN
LM4121
SNVS073C –APRIL 2000–REVISED APRIL 2013
www.ti.com
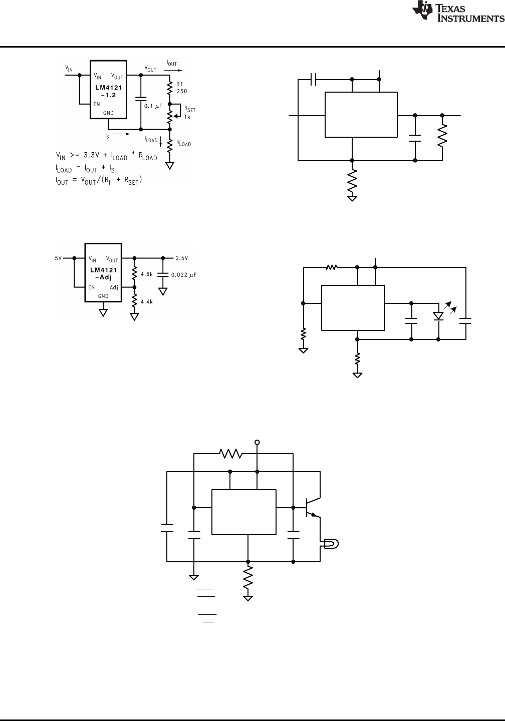
Figure 41. Programmable Current Source Figure 42. Precision Comparator with Hysteresis
Figure 43. Power Supply Splitter Figure 44. Li + Low Battery Detector
Figure 45. Flasher Circuit
14 Submit Documentation Feedback Copyright © 2000–2013, Texas Instruments Incorporated
Product Folder Links: LM4121










