Datasheet
Table Of Contents

FB
V
CC
SW
RTN
DRIVER
BST
2.5V
62.5 mV
SS
L1
C2
R1
R2
C4
C3
LM5010
D1
R3
10
8
7
3
4
1
2
9
7V START-UP
REGULATOR
R
SENSE
+
-
C6
6
5
C1
C5
REGULATION
COMPARATOR
LEVEL
SHIFT
CURRENT LIMIT
COMPARATOR
ON TIMER
START
R
ON
LOGIC
Driver
Gate Drive
UVLO
COMPLETE
START
265 ns
OFF TIMER
2.9V
OVER-VOLTAGE
COMPARATOR
GND
11.5 PA
COMPLETE
50 m:
R
ON
/SD
V
CC
UVLO
Thermal
Shutdown
0.7V
INPUT
V
OUT2
V
OUT1
V
IN
I
SEN
S
GND
R
CL
V
IN
R
ON
LM5010
www.ti.com
SNVS307F –SEPTEMBER 2004–REVISED FEBRUARY 2013
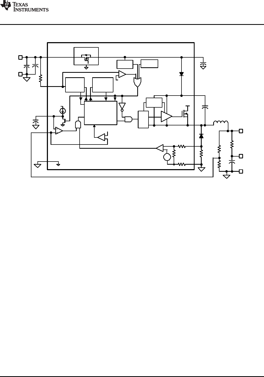
TYPICAL APPLICATION CIRCUIT AND BLOCK DIAGRAM
NOTE: Pin numbers are for the WSON-10 package.
Copyright © 2004–2013, Texas Instruments Incorporated Submit Documentation Feedback 5
Product Folder Links: LM5010










