Datasheet
Table Of Contents

LOGIC
V
IN
REF
SS
20 PA
RT
LOGIC
PGND
AGND
5V
REFERENCE
OSCILLATOR
CLK
CS1
TIME
0.5V
0.5V
PWM
5k
5V
1V
R
S
Q
Q
SS
FF RAMP
CS2
RAMP
SLOPE D TO V
IN
CLK + LEB
7.6V SERIES
REGULATOR
OUT_B
DRIVER
V
CC
COMP
SS
SS Amp
(Sink Only)
MAX V*S
CLAMP
SYNC
UVLO
HYSTERESIS
(20 PA)
2.5V
+
-
UVLO
+
-
OUT_A
DRIVER
V
CC
V
CC
V
CC
UVLO
2.5V
19 PA
DEADTIME
OR
OVERLAP
CONTROL
+
-
+
-
+
-
ENABLE
OUTPUTS
LM5025A
SNVS293E –DECEMBER 2004–REVISED MARCH 2013
www.ti.com
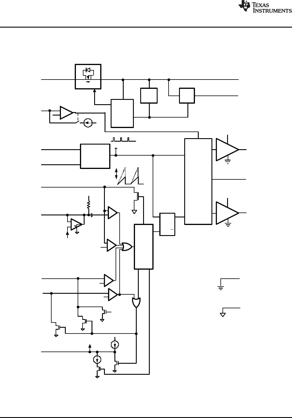
Block Diagram
Figure 3. Simplified Block Diagram
4 Submit Documentation Feedback Copyright © 2004–2013, Texas Instruments Incorporated
Product Folder Links: LM5025A










