Datasheet
Table Of Contents
- FEATURES
- Packages
- DESCRIPTION
- Absolute Maximum Ratings
- Operating Ratings
- Electrical Characteristics
- Typical Performance Characteristics
- Specialized Block Diagrams
- Detailed Operating Description
- Modes of Operation
- Detection Signature
- Classification
- Undervoltage Lockout (UVLO)
- AUX Pin Operation
- Power Supply Operation
- High Voltage Start-up Regulator
- Error Amplifier
- Current Limit / Current Sense
- Oscillator, Shutdown and Sync Capability
- PWM Comparator / Slope Compensation
- Soft-Start
- Gate Driver and Maximum Duty Cycle Limit
- Thermal Protection
- LM5071 Application Circuit Diagrams
- Revision History

CS
LOGIC
OUT
DRIVER
PWM
100k
50k
CLK
SS
V
CC
2k
CLK +LEB
80% MAX
DUTY LIMIT (-80)
50% MAX
DUTY LIMIT (-50)
COMP
OSC
RT
0.5V
0
45 PA
R
S
Q
Q
+
-
+
-
5k
1.4V
SS
FB
1.25V
5V
+
-
10 PA
SS
Slope
Compensation
Generator
-50 Device Has
No Slope
Compensation
CURRENT
LIMIT
LM5071
SNVS409E –NOVEMBER 2005–REVISED APRIL 2013
www.ti.com
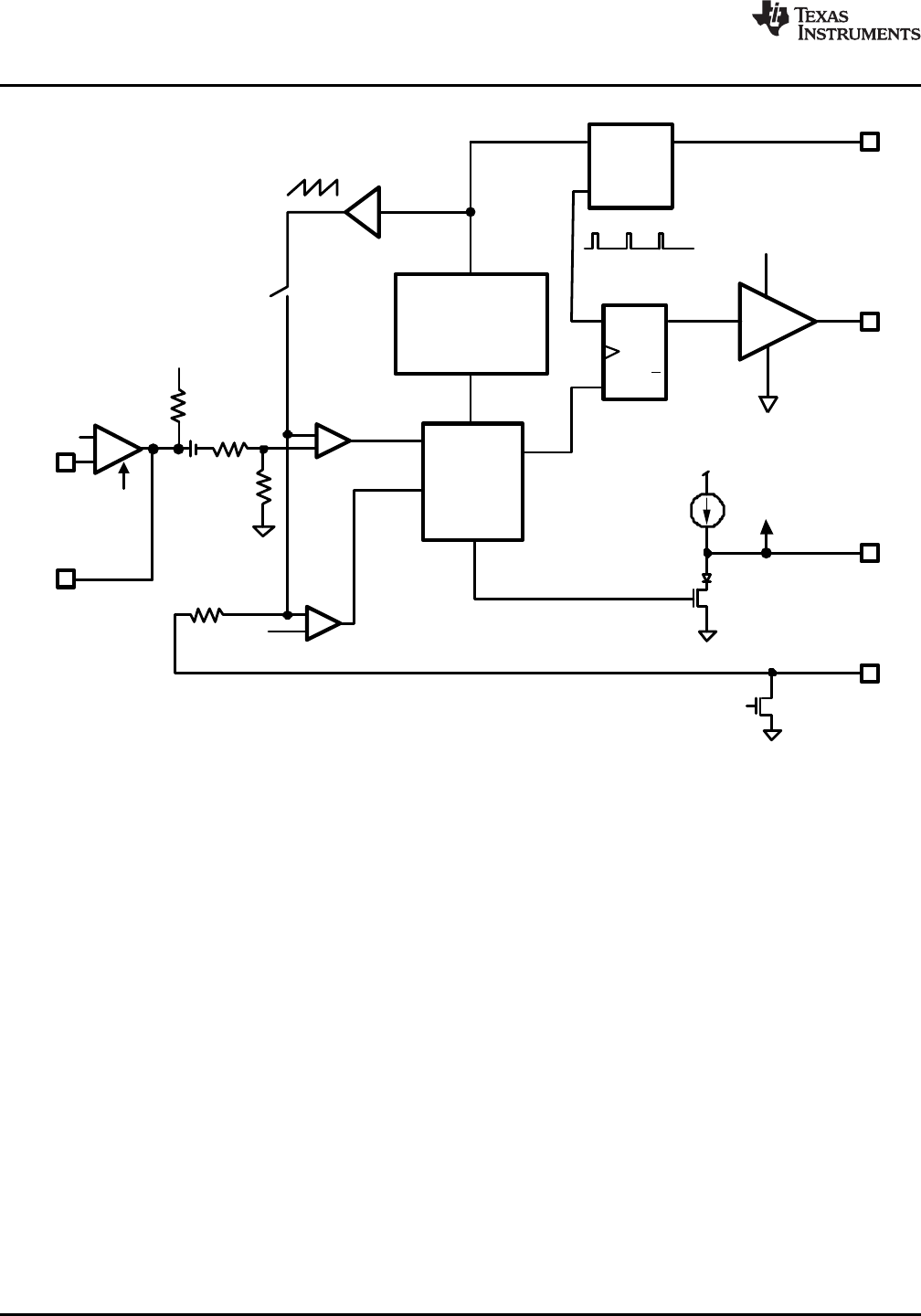
Figure 13. PWM Controller Block Diagram
10 Submit Documentation Feedback Copyright © 2005–2013, Texas Instruments Incorporated
Product Folder Links: LM5071










