Datasheet

CS
LOGIC
OUT
DRIVER
PWM
100k
50k
CLK
SS
V
CC
2k
CLK +LEB
80% MAX
DUTY LIMIT (-80)
50% MAX
DUTY LIMIT (-50)
COMP
OSC
RT
0.5V
0
45 PA
R
S
Q
Q
+
-
+
-
5k
1.4V
SS
FB
1.25V
5V
+
-
10 PA
SS
Slope
Compensation
Generator
-50 Device Has
No Slope
Compensation
CURRENT
LIMIT
LM5071
SNVS409E NOVEMBER 2005REVISED APRIL 2013
www.ti.com
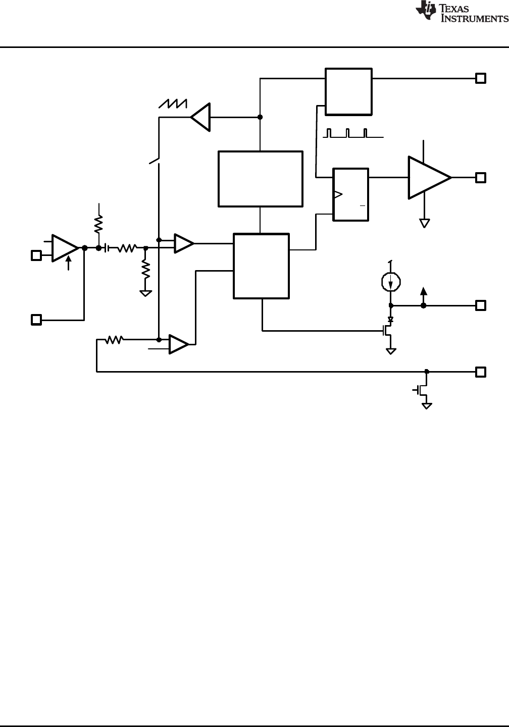
Figure 13. PWM Controller Block Diagram
10 Submit Documentation Feedback Copyright © 2005–2013, Texas Instruments Incorporated
Product Folder Links: LM5071