Datasheet
Table Of Contents
- FEATURES
- Packages
- DESCRIPTION
- Absolute Maximum Ratings
- Operating Ratings
- Electrical Characteristics
- Typical Performance Characteristics
- Specialized Block Diagrams
- Detailed Operating Description
- Modes of Operation
- Detection Signature
- Classification
- Undervoltage Lockout (UVLO)
- AUX Pin Operation
- Power Supply Operation
- High Voltage Start-up Regulator
- Error Amplifier
- Current Limit / Current Sense
- Oscillator, Shutdown and Sync Capability
- PWM Comparator / Slope Compensation
- Soft-Start
- Gate Driver and Maximum Duty Cycle Limit
- Thermal Protection
- LM5071 Application Circuit Diagrams
- Revision History

V
IN
RCLASS
AUX
V
EE
V
CC
OUT
RT
FB
CS
COMP
SS
RTN
ARTN
+PoE
+AUX
- AUX
UVLO
UVLORTN
LM
5071
0.1
PF
-PoE
+V
OUT
100 k:
100 k:
LM5071
SNVS409E –NOVEMBER 2005–REVISED APRIL 2013
www.ti.com
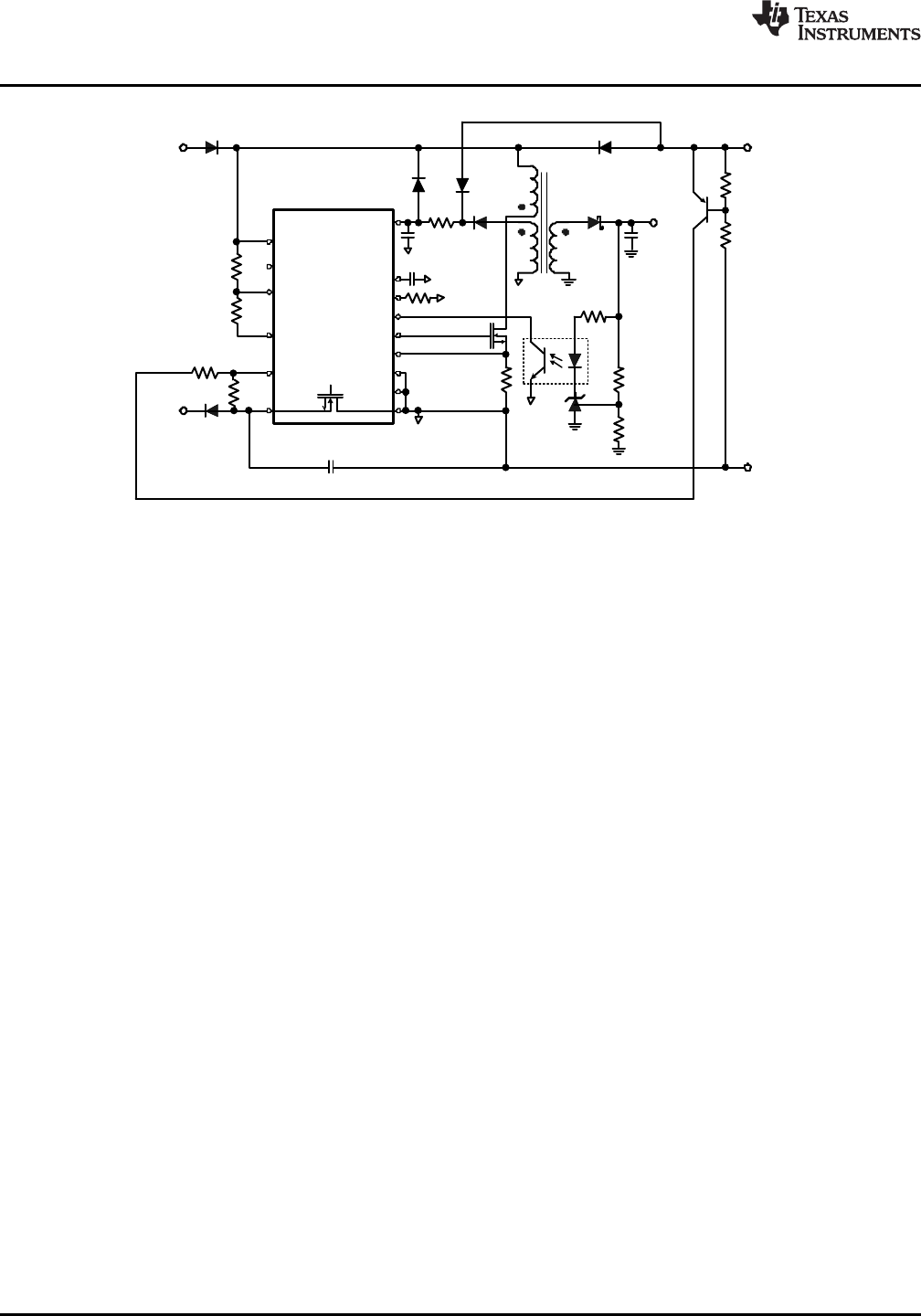
Figure 15. Simplified Schematic Showing Low Voltage Auxiliary Supply
Error Amplifier
An internal high gain error amplifier is provided within the LM5071. The amplifier’s non-inverting reference is set
to a fixed reference voltage of 1.25V. The inverting input is connected to the FB pin. In non-isolated applications,
the power converter output is connected to the FB pin via voltage scaling resistors. Loop compensation
components are connected between the COMP and FB pins. For most isolated applications the error amplifier
function is implemented on the secondary side of the converter and the internal error amplifier is not used. The
internal error amplifier is configured as an open drain output and can be disabled by connecting the FB pin to
ARTN. An internal 5K pull-up resistor between a 5V reference and COMP can be used as the pull-up for an
optocoupler in isolated applications.
Current Limit / Current Sense
The LM5071 provides a cycle-by-cycle over current protection function. Current limit is accomplished by an
internal current sense comparator. If the voltage at the current sense comparator input CS exceeds 0.5V with
respect to RTN/ARTN, the output pulse will be immediately terminated. A small RC filter, located near the CS pin
of the controller, is recommended to filter noise from the current sense signal. The CS input has an internal
MOSFET which discharges the CS pin capacitance at the conclusion of every cycle. The discharge device
remains on an additional 50ns after the beginning of the new cycle to attenuate the leading edge spike on the
current sense signal.
The LM5071 current sense and PWM comparators are very fast, and may respond to short duration noise
pulses. Layout considerations are critical for the current sense filter and sense resistor. The capacitor associated
with the CS filter must be located very close to the device and connected directly to the pins of the controller (CS
and ARTN). If a current sense transformer is used, both leads of the transformer secondary should be routed to
the sense resistor and the current sense filter network. A sense resistor located in the source of the primary
power MOSFET may be used for current sensing, but a low inductance resistor is required. When designing with
a current sense resistor, all of the noise sensitive low power ground connections should be connected together
local to the controller and a single connection should be made to the high current power return (sense resistor
ground point).
14 Submit Documentation Feedback Copyright © 2005–2013, Texas Instruments Incorporated
Product Folder Links: LM5071










