Datasheet
Table Of Contents

LM7905, LM7912, LM7915
www.ti.com
SNOSBQ7C –JUNE 1999–REVISED MAY 2013
LM79XX Series 3-Terminal Negative Regulators
Check for Samples: LM7905, LM7912, LM7915
1
FEATURES
Connection Diagram
2
• Thermal, Short Circuit and Safe Area
Protection
• High Ripple Rejection
• 1.5A Output Current
• 4% Tolerance on Preset Output Voltage
space
DESCRIPTION
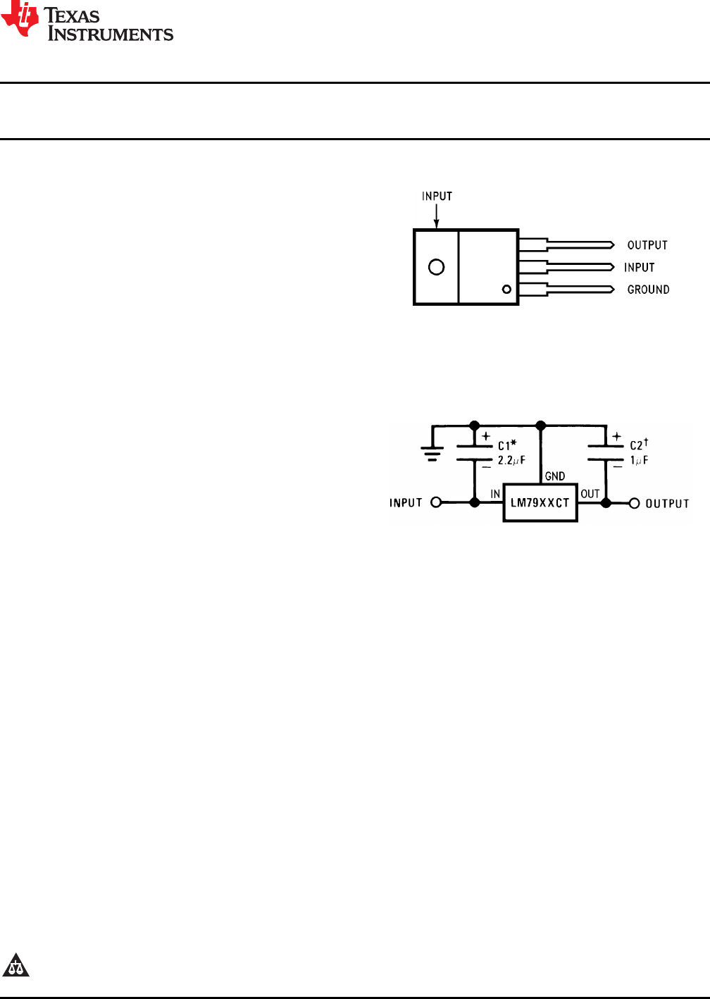
Figure 1. TO-220 Package
The LM79XX series of 3-terminal regulators is
Front View
available with fixed output voltages of −5V, −12V, and
See Package Number NDE0003B
−15V. These devices need only one external
component—a compensation capacitor at the output.
The LM79XX series is packaged in the TO-220 power
Typical Applications
package and is capable of supplying 1.5A of output
current.
These regulators employ internal current limiting safe
area protection and thermal shutdown for protection
against virtually all overload conditions.
Low ground pin current of the LM79XX series allows
output voltage to be easily boosted above the preset
value with a resistor divider. The low quiescent
*Required if regulator is separated from
current drain of these devices with a specified
filter capacitor by more than 3″. For value
maximum change with line and load ensures good
given, capacitor must be solid tantalum.
regulation in the voltage boosted mode.
25μF aluminum electrolytic may be
substituted.
For applications requiring other voltages, see LM137
†Required for stability. For value given,
datasheet.
capacitor must be solid tantalum. 25μF
aluminum electrolytic may be substituted.
Values given may be increased without
limit.
For output capacitance in excess of 100μF,
a high current diode from input to output
(1N4001, etc.) will protect the regulator
from momentary input shorts.
Figure 2. Fixed Regulator
1
Please be aware that an important notice concerning availability, standard warranty, and use in critical applications of
Texas Instruments semiconductor products and disclaimers thereto appears at the end of this data sheet.
2All trademarks are the property of their respective owners.
PRODUCTION DATA information is current as of publication date.
Copyright © 1999–2013, Texas Instruments Incorporated
Products conform to specifications per the terms of the Texas
Instruments standard warranty. Production processing does not
necessarily include testing of all parameters.