Datasheet
Manuals
Brands
TEXAS INSTRUMENTS Manuals
Linear ICs
Linear IC - Op-amp Multi-purpose SOIC 8
19
20
21
22
23
24
25
26
27
28
Table Of Contents
FEATURES
APPLICATIONS
DESCRIPTION
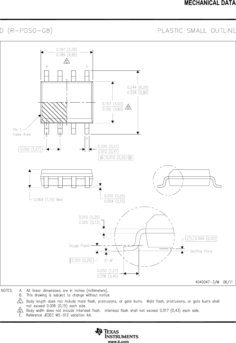
Connection Diagram
Absolute Maximum Ratings
Operating Conditions
DC Electrical Characteristics
AC Electrical Characteristics
Typical Performance Characteristics
Application Hints
INPUT COMMON-MODE VOLTAGE RANGE
RAIL-TO-RAIL OUTPUT
COMPENSATING FOR INPUT CAPACITANCE
CAPACITIVE LOAD TOLERANCE
PRINTED-CIRCUIT-BOARD LAYOUT FOR HIGH-IMPEDANCE WORK
Application Circuits
Spice Macromodel
Revision History
1
...
...
25
26
27
28