Datasheet
Table Of Contents

LMC6492, LMC6494
SNOS724D –AUGUST 2000–REVISED MARCH 2013
www.ti.com
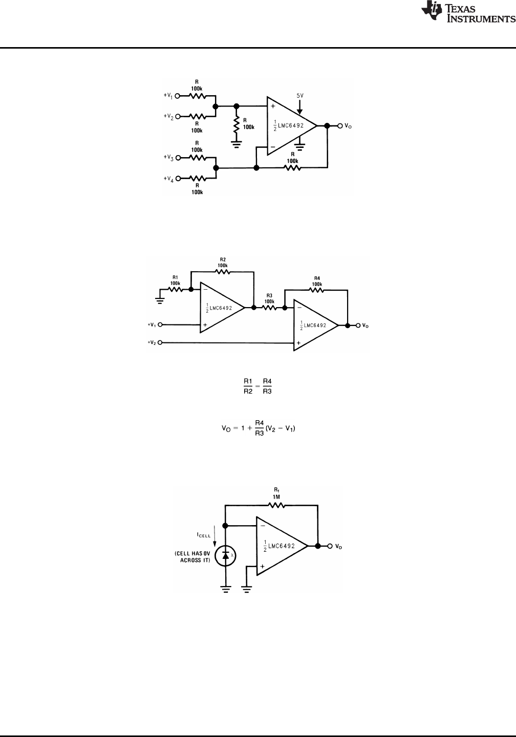
Application Circuits
Where: V
0
= V
1
+ V
2
− V
3
– V
4
(V
1
+ V
2
≥ (V
3
+ V
4
) to keep V
0
> 0V
DC
Figure 63. DC Summing Amplifier (V
IN
≥ 0V
DC
and V
O
≥ V
DC
For
(CMRR depends on this resistor ratio match)
As shown: V
O
= 2(V
2
− V
1
)
Figure 64. High Input Z, DC Differential Amplifier
Figure 65. Photo Voltaic-Cell Amplifier
18 Submit Documentation Feedback Copyright © 2000–2013, Texas Instruments Incorporated
Product Folder Links: LMC6492 LMC6494










