Datasheet
Table Of Contents

LMC6492, LMC6494
SNOS724D –AUGUST 2000–REVISED MARCH 2013
www.ti.com
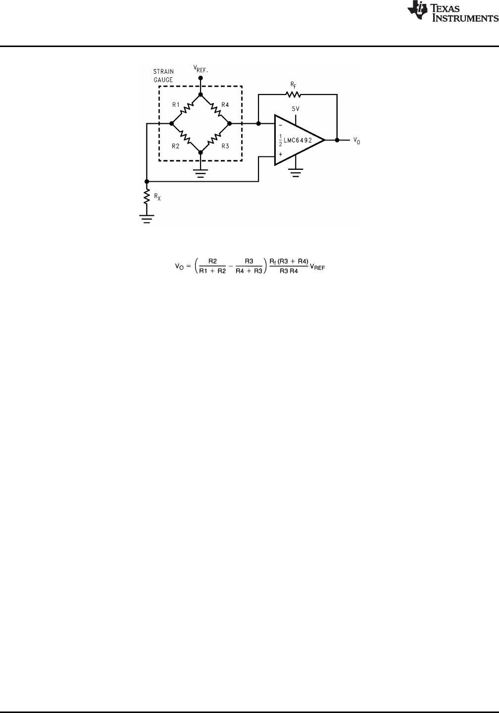
R
f
= Rx
R
f
>> R1, R2, R3, and R4
Figure 69. Pressure Sensor
In a manifold absolute pressure sensor application, a strain gauge is mounted on the intake manifold in the
engine unit. Manifold pressure causes the sensing resistors, R1, R2, R3 and R4 to change. The resistors change
in a way such that R2 and R4 increase by the same amount R1 and R3 decrease. This causes a differential
voltage between the input of the amplifier. The gain of the amplifier is adjusted by R
f
.
Spice Macromodel
A spice macromodel is available for the LMC6492/4. This model includes accurate simulation of:
• Input common-model voltage range
• Frequency and transient response
• GBW dependence on loading conditions
• Quiescent and dynamic supply current
• Output swing dependence on loading conditions
and many other characteristics as listed on the macromodel disk.
Contact your local Texas Instruments sales office to obtain an operational amplifier spice model library disk.
20 Submit Documentation Feedback Copyright © 2000–2013, Texas Instruments Incorporated
Product Folder Links: LMC6492 LMC6494










