Datasheet

LMH6714, LMH6720
LMH6722, LMH6722-Q1
SNOSA39G NOVEMBER 2002REVISED APRIL 2013
www.ti.com
AMPLITUDE EQUALIZATION
Sending signals over coaxial cable greater than 50 meters in length will attenuate high frequency signal
components much more than lower frequency components. An equalizer can be made to pre emphasize the
higher frequency components so that the final signal has less distortion. This process can be done at either end
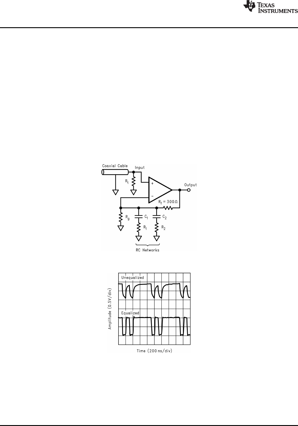
of the cable. The circuit in Figure 38 shows a receiver with some additional components in the feedback loop to
equalize the incoming signal. The RC networks peak the signal at higher frequencies. This peaking is a
piecewise linear approximation of the inverse of the frequency response of the coaxial cable. Figure 39 shows
the effect of this equalization on a digital signal that has passed through 150 meters of coaxial cable. Figure 40
shows a Bode plot of the frequency response of the circuit in Figure 38 along with equations needed to design
the pole and zero frequencies. Figure 41 shows a network analyzer plot of an LMH6714/LMH6720/LMH6722 with
the following component values:
R
G
= 309
R1 = 450
C1 = 470pF
R2 = 91
C2 = 68pF
Figure 38. Equalizer Circuit Schematic
Figure 39. Digital Signal without and with Equalization
14 Submit Documentation Feedback Copyright © 2002–2013, Texas Instruments Incorporated
Product Folder Links: LMH6714 LMH6720 LMH6722 LMH6722-Q1