Datasheet
Manuals
Brands
TEXAS INSTRUMENTS Manuals
Linear ICs
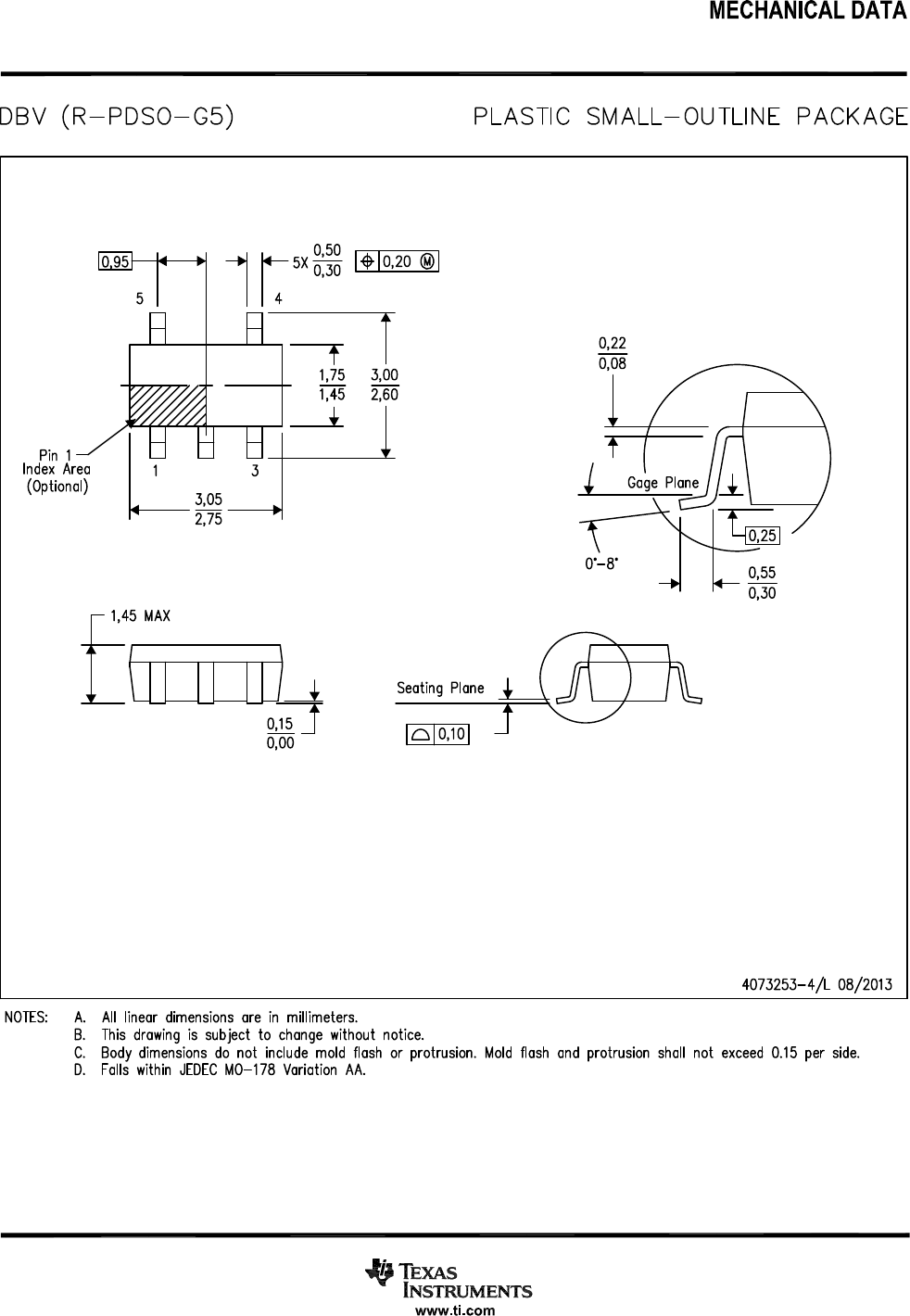
Linear IC - Comparator Multi-purpose Open collector SOT 23 5
11
12
13
14
15
16
17
18
19
20
Table Of Contents
FEATURES
DESCRIPTION/ ORDERING INFORMATION
Absolute Maximum Ratings
Recommended Operating Conditions
Electrical Characteristics
Switching Characteristics
Electrical Characteristics
Switching Characteristics
REVISION HISTORY
1
...
...
11
12
13
14
15
...
...
30