Datasheet
Manuals
Brands
TEXAS INSTRUMENTS Manuals
Linear ICs
Linear IC - Comparator Multi-purpose Open collector SC 70 5
11
12
13
14
15
16
17
18
19
20
Table Of Contents
FEATURES
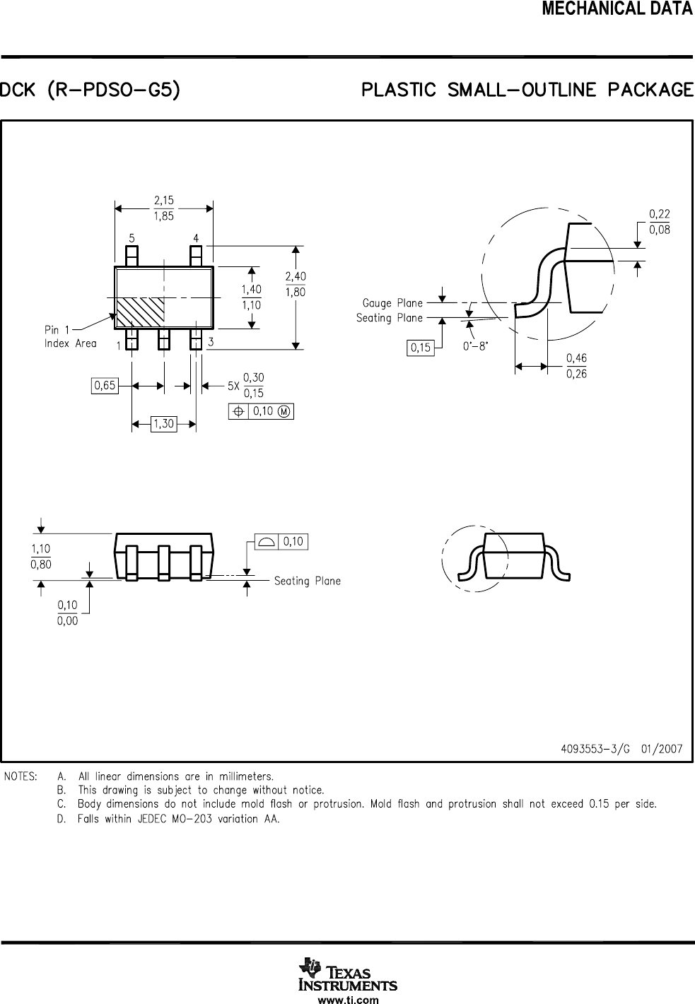
DESCRIPTION/ ORDERING INFORMATION
Absolute Maximum Ratings
Recommended Operating Conditions
Electrical Characteristics
Switching Characteristics
Electrical Characteristics
Switching Characteristics
REVISION HISTORY
1
...
...
13
14
15
16
17
...
...
30