Datasheet
Manuals
Brands
TEXAS INSTRUMENTS Manuals
Linear ICs
Linear IC - Op-amp Multi-purpose SOIC 14 N
19
20
21
22
23
24
25
26
27
28
Table Of Contents
Features
Applications
Description
Sample and Hold Circuit
Absolute Maximum Ratings
Operating Ratings
2.7V DC Electrical Characteristics
2.7V AC Electrical Characteristics
5V DC Electrical Characteristics
5V AC Electrical Characteristics
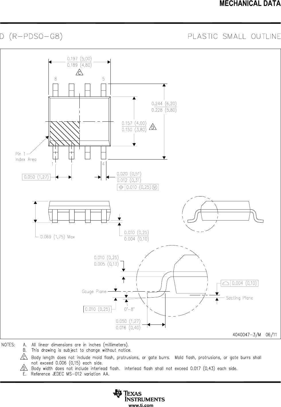
Connection Diagram
Typical Performance Characteristics
Application Section
LMV341-N/LMV342-N/LMV344-N
Class AB Turnaround Stage Amplifier
Sample and Hold Circuit
Shutdown Feature
Low Input Bias Current
Revision History
1
...
...
25
26
27
28