Datasheet
Table Of Contents

LMV7235, LMV7239
SNOS532M –SEPTEMBER 2000–REVISED FEBRUARY 2013
www.ti.com
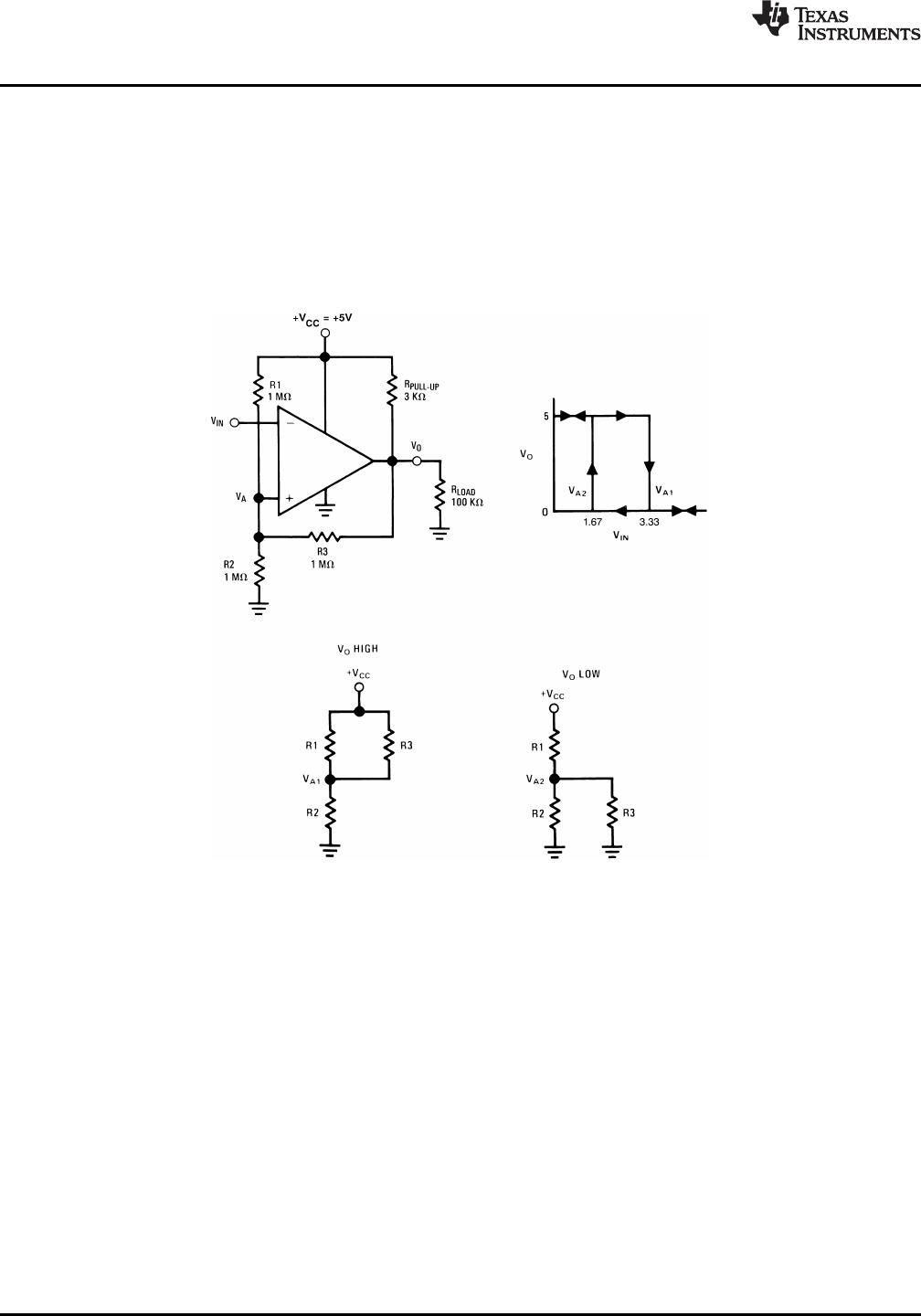
When V
IN
is greater than V
A
(V
IN
> V
A
), the output voltage is low, very close to ground. In this case the three
network resistors can be presented as R2 || R3 in series with R1. The upper trip voltage V
A2
is defined as:
V
A2
= V
CC
(R2||R3) / [(R1)+ (R2||R3)] (2)
The total hysteresis provided by the network is defined as:
Delta V
A
= V
A1
- V
A2
(3)
To assure that the comparator will always switch fully to V
CC
and not be pulled down by the load the resistors,
values should be chosen as follows:
R
PULL-UP
<< R
LOAD
(4)
Figure 18. Inverting Comparator with Hysteresis
NON-INVERTING COMPARATOR WITH HYSTERESIS
A non inverting comparator with hysteresis requires a two resistor network, and a voltage reference (V
REF
) at the
inverting input. When V
IN
is low, the output is also low. For the output to switch from low to high, V
IN
must rise up
to V
IN1
where V
IN1
is calculated by:
V
IN1
= R1*(V
REF
/ R2) + V
REF
(5)
When V
IN
is high, the output is also high, to make the comparator switch back to it's low state, V
IN
must equal
V
REF
before V
A
will again equal V
REF
. V
IN
can be calculated by:
V
IN2
= [V
REF
(R1+ R2) - V
CC
R1] / R2 (6)
The hysteresis of this circuit is the difference between V
IN1
and V
IN2
.
Delta V
IN
= V
CC
R1 / R2 (7)
10 Submit Documentation Feedback Copyright © 2000–2013, Texas Instruments Incorporated
Product Folder Links: LMV7235 LMV7239










