Datasheet
Table Of Contents

OUT
+
-
LMV7235, LMV7239
www.ti.com
SNOS532M –SEPTEMBER 2000–REVISED FEBRUARY 2013
Figure 19. Non-Inverting Comparator with Hysteresis
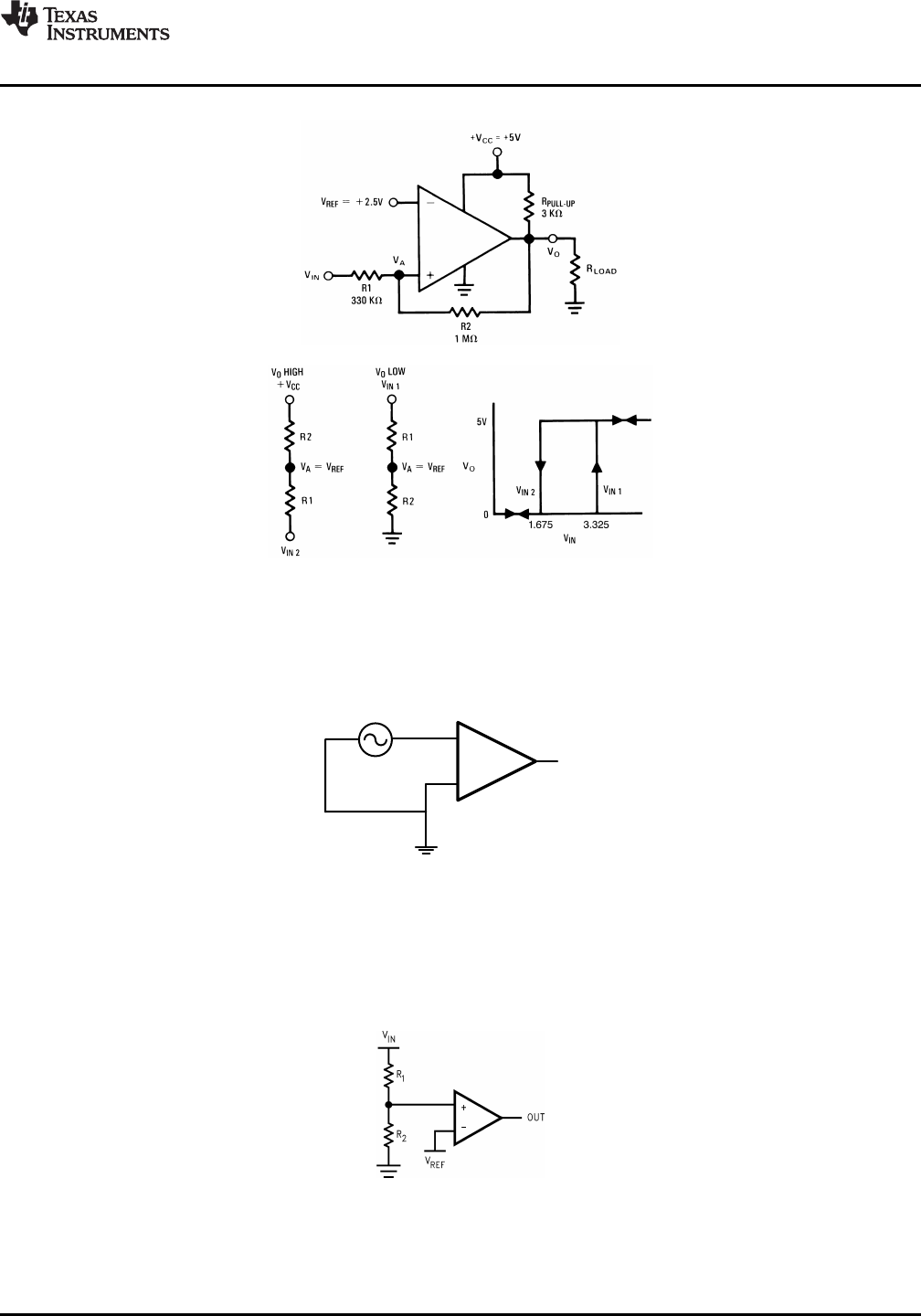
ZERO-CROSSING DETECTOR
The inverting input is connected to ground and the non-inverting input is connected to 100mVp-p signal. As the
signal at the non-inverting input crosses 0V, the comparator's output changes state.
Figure 20. Zero-Crossing Detector
THRESHOLD DETECTOR
Instead of tying the inverting input to 0V, the inverting input can be tied to a reference voltage. The non-inverting
input is connected to the input. As the input passes the V
REF
threshold, the comparator's output changes state.
Figure 21. Threshold Detector
Copyright © 2000–2013, Texas Instruments Incorporated Submit Documentation Feedback 11
Product Folder Links: LMV7235 LMV7239










