Datasheet
Table Of Contents

Inverting
Input
1
2
3 4
5
V
+
V
-
V
OUT
Non-Inverting
Input
SC70
SOT-23
Crystal
100K
V
OUT
0.1uF
V
CC
100K
100K
LMV7235, LMV7239
SNOS532M –SEPTEMBER 2000–REVISED FEBRUARY 2013
www.ti.com
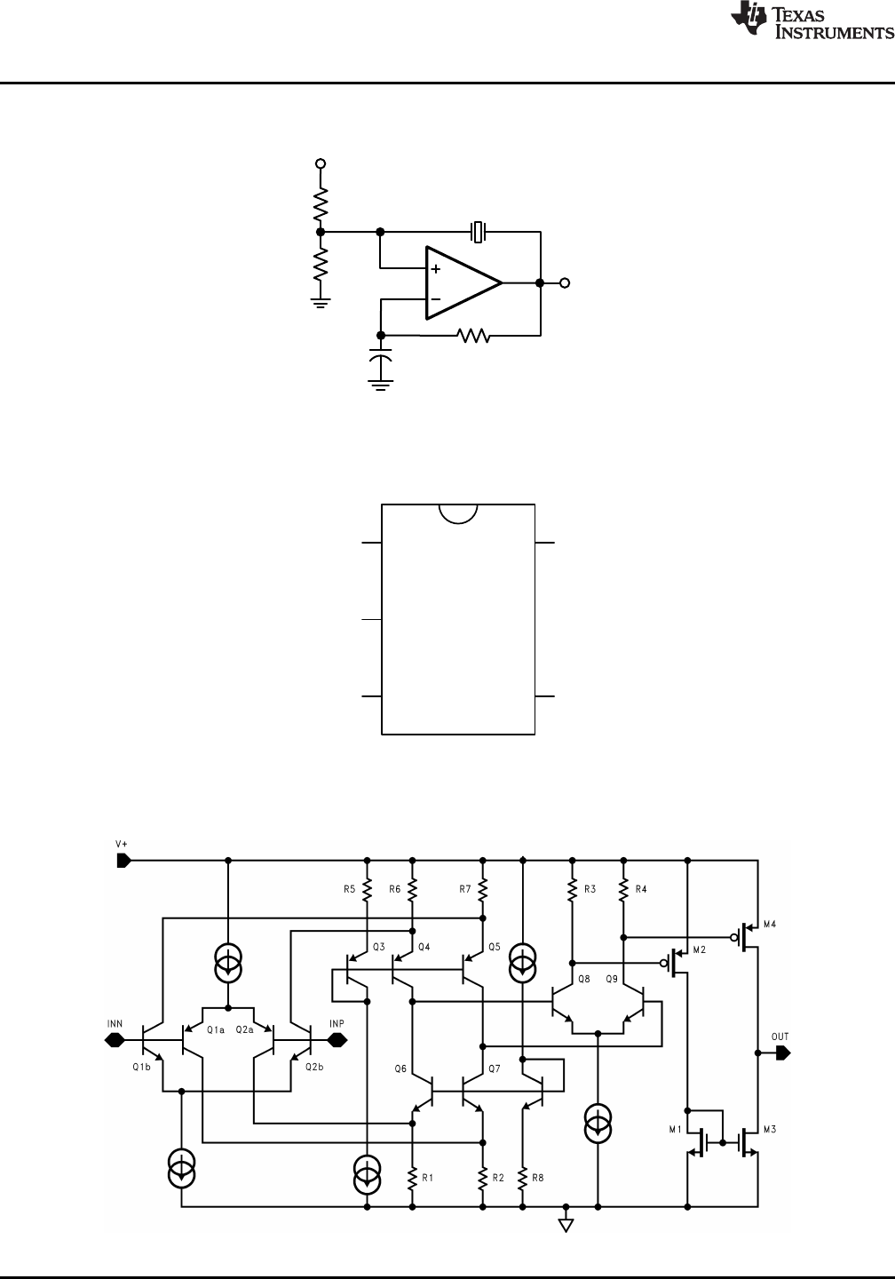
Typical Application
Figure 1. Crystal Oscillator
Connection Diagram
Figure 2. 5-Pin SC70/SOT-23 (Top View)
Simplified Schematic
2 Submit Documentation Feedback Copyright © 2000–2013, Texas Instruments Incorporated
Product Folder Links: LMV7235 LMV7239










