Datasheet
Table Of Contents

+
-
+
-
V
IN
C
1
1 PF 5V
R
7
10 k:
R
1
100 k:
R
2
100 k:
R
L
A1
A2
C
2
.01 PF
C
4
.1 PF
V
+
C
3
.01 PF
V
L
R
5
100 k:
R
6
100 k:
R
3
100 k:
R
4
100 k:
V
+
V
-
SD
SD
V
-
V
+
LMV951
SNOSAI3C –OCTOBER 2006–REVISED APRIL 2013
www.ti.com
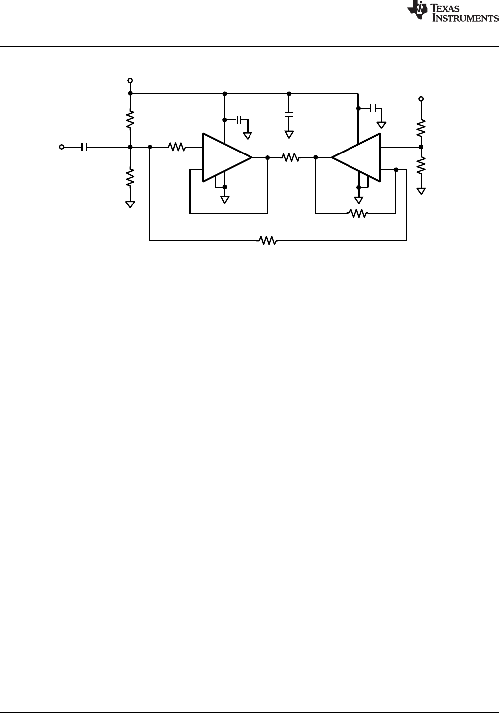
Figure 51. Bridge Amplifier
• C
2
and C
3
are .01 μF ceramic capacitors that must be located as close as possible to pin 6, the V
+
pin. As
covered in the power supply bypassing section these capacitors must have low ESR and a self resonant
frequency above 15 MHz.
• C
4
is a 1 μF tantalum or electrolytic capacitor that should also be located close to the supply pin.
• To use the shutdown feature tie pin 5 of the two parts together and connect through a 470 kΩ resistor to V
+
.
Add a switch between pin 5 and ground. Closing the switch keeps the parts in the active mode, opening the
switch sets the parts in the shutdown mode without adding any additional current to V
+
.
VIRTUAL GROUND CIRCUIT
The front page of this data sheet shows the LMV951 being used in a system establishing a virtual ground.
Having a buffered output stage gives this part the ability to handle load currents higher than 35 mA at 1V.
R
3
and R
4
are used to set the voltage of the virtual ground. To maintain low noise the values should be between
1 kΩ and 10 kΩ. C
1
and C
2
provide the recommended bypassing for the LMV951. These caps must be placed as
close as possible to pins 2 and 6.
TWO WIRE LINE TRANSMISSION
The robust output stage of the LMV951 makes it an excellent choice for driving long cables. The circuit shown
below in Figure 52 can drive a long cable using only two wires; power and ground.
When many sensors are located remotely from the control area the wiring becomes a significant expense. Using
only two wires helps minimize the wiring expense in a large project such as an industrial plant. Figure 53 shows
a 25 kHz signal after passing though 1000 ft. of twisted pair cable. Figure 54 shows a 200 kHz signal after
passing through 50 ft. of twisted pair cable.
16 Submit Documentation Feedback Copyright © 2006–2013, Texas Instruments Incorporated
Product Folder Links: LMV951










