Datasheet
Table Of Contents
- FEATURES
- APPLICATIONS
- DESCRIPTION
- Electrical Specifications
- Performance Benefits
- Absolute Maximum Ratings
- Operating Ratings
- Electrical Characteristics
- Typical Performance Characteristics
- Application Block Diagram
- Revision History

Exposed Pad
Connect to GND
5
SS
6
FB
3
EN
1
VIN
2
RON
4
GND
7
VOUT
V
IN
C
IN
Enable
R
ON
R
FBT
C
FF
C
SS
R
FBB
C
OUT
LMZ14202EXT
VOUT
FB
RON
SS
VIN
EN
GND
V
OUT
@ 2A
LMZ14202EXT
www.ti.com
SNVS665F –JUNE 2010–REVISED OCTOBER 2013
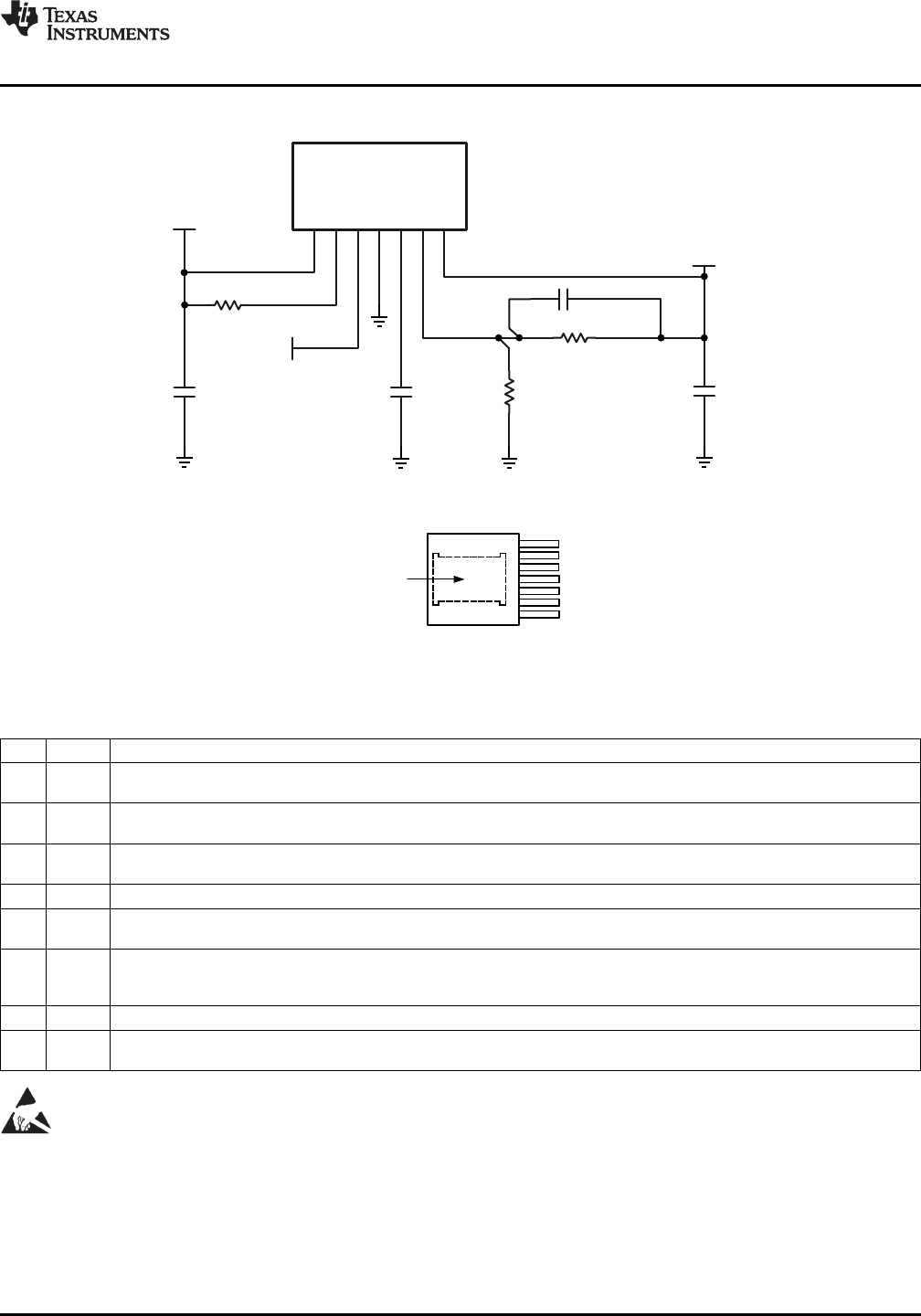
Simplified Application Schematic
Connection Diagram
Figure 2. Top View
7-Lead PFM
PIN DESCRIPTIONS
Pin Name Description
1 VIN Supply input — Nominal operating range is 6V to 42V . A small amount of internal capacitance is contained within the
package assembly. Additional external input capacitance is required between this pin and exposed pad.
2 RON On Time Resistor — An external resistor from V
IN
to this pin sets the on-time of the application. Typical values range from
25k to 124k ohms.
3 EN Enable — Input to the precision enable comparator. Rising threshold is 1.18V nominal; 90 mV hysteresis nominal.
Maximum recommended input level is 6.5V.
4 GND Ground — Reference point for all stated voltages. Must be externally connected to EP.
5 SS Soft-Start — An internal 8 µA current source charges an external capacitor to produce the soft-start function. This node is
discharged at 200 µA during disable, over-current, thermal shutdown and internal UVLO conditions.
6 FB Feedback — Internally connected to the regulation, over-voltage, and short-circuit comparators. The regulation reference
point is 0.8V at this input pin. Connected the feedback resistor divider between the output and ground to set the output
voltage.
7 VOUT Output Voltage — Output from the internal inductor. Connect the output capacitor between this pin and exposed pad.
EP EP Exposed Pad — Internally connected to pin 4. Used to dissipate heat from the package during operation. Must be
electrically connected to pin 4 external to the package.
These devices have limited built-in ESD protection. The leads should be shorted together or the device placed in conductive foam
during storage or handling to prevent electrostatic damage to the MOS gates.
Copyright © 2010–2013, Texas Instruments Incorporated Submit Documentation Feedback 3
Product Folder Links: LMZ14202EXT










