Datasheet
Manuals
Brands
TEXAS INSTRUMENTS Manuals
PMICs
PMIC - LDO voltage regulator Positive, fixed SOT 23 5
10
11
12
13
14
15
16
17
18
19
Table Of Contents
FEATURES
KEY SPECIFICATIONS
APPLICATIONS
DESCRIPTION
Block Diagram
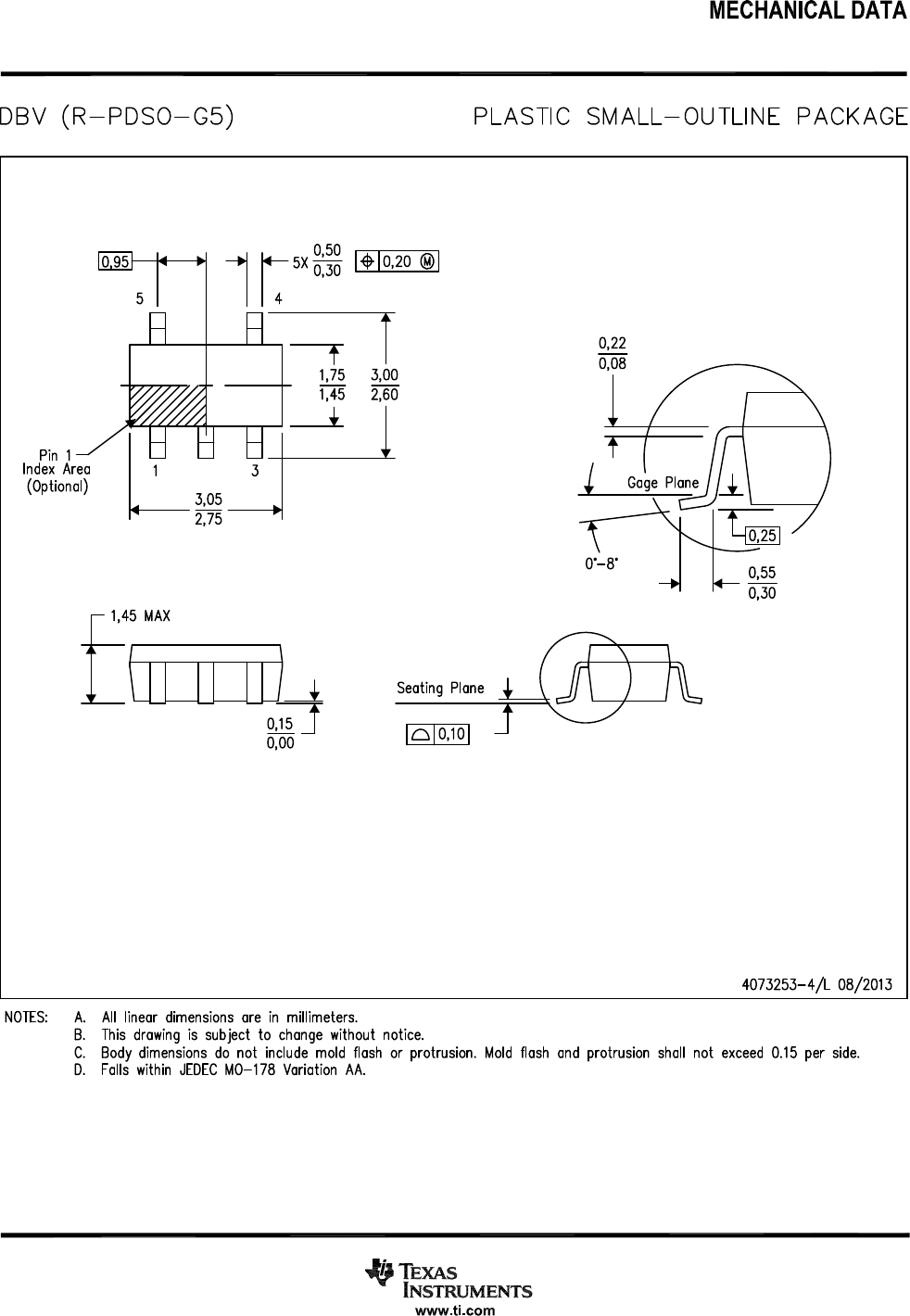
Connection Diagrams
ABSOLUTE MAXIMUM RATINGS
RECOMMENDED OPERATING CONDITIONS
ELECTRICAL CHARACTERISTICS
TYPICAL PERFORMANCE CHARACTERISTICS
APPLICATION INFORMATION
External Capacitors
Input Capacitor
Output Capacitors
No-Load Stability
Capacitor Characteristics
On/Off Input Operation
Fast On-Time
Revision History
1
...
...
14
15
16
17
18
...
19