Datasheet
Table Of Contents
- features
- description
- pin designation, DL package
- pin designation, RGZ package
- functional block diagram
- Terminal Functions
- short-form description
- absolute maximum ratings
- recommended operating conditions
- electrical characteristics
- supply current into AVCC + DVCC
- SCHMITT-trigger inputs
- inputs Px.x, TAx
- leakage current
- outputs
- output frequency
- wake-up LPM3
- RAM
- LCD_A
- POR/brownout reset
- DCO
- crystal oscillator, LFXT1 oscillator
- SD16_A, power supply and recommended operating conditions
- SD16_A, input range
- SD16_A, performance (fSD16 = 30kHz, SD16REFON = 1, SD16BUFx = 01)
- SD16_A, performance (fSD16 = 1MHz, SD16OSRx = 256, SD16REFON = 1, SD16BUFx = 00)
- SD16_A, temperature sensor
- SD16_A, built-in voltage reference
- SD16_A, reference output buffer
- SD16_A, external reference input
- 12-bit DAC, supply specifications
- 12-bit DAC, linearity specifications
- 12-bit DAC, output specifications
- 12-bit DAC, reference input specifications
- 12-bit DAC, dynamic specifications
- Flash Memory
- JTAG Interface
- JTAG Fuse
- input/output schematics
- Port P1 pin schematic: P1.0, P1.1, input/output with Schmitt−trigger
- Port P1 pin schematic: P1.2, input/output with Schmitt−trigger and analog functions
- Port P1 pin schematic: P1.3, P1.5, P1.7, input/output with Schmitt−trigger and analog functions
- Port P1 pin schematic: P1.4, input/output with Schmitt−trigger and analog functions
- Port P1 pin schematic: P1.6, input/output with Schmitt−trigger and analog functions
- Port P2 pin schematic: P2.0 to P2.7, input/output with Schmitt−trigger, LCD and analog functions
- Port P5 pin schematic: P5.0, P5.1, P5.5 to P5.7, input/output with Schmitt−trigger and LCDfunctions
- Port P5 pin schematic: P5.2 to P5.4, input/output with Schmitt−trigger and LCD functions
- Port P6 pin schematic: P6.0, P6.2, input/output with Schmitt−trigger and analog functions
- Port P6 pin schematic: P6.1, P6.3, input/output with Schmitt−trigger and analog functions
- Port P6 pin schematic: P6.4 to P6.7, input/output with Schmitt−trigger and analog functions
- JTAG pins TMS, TCK, TDI/TCLK, TDO/TDI, input/output with Schmitt-trigger or output
- JTAG fuse check mode
- Data Sheet Revision History
- Corrections to MSP430F42x0 Data Sheet (SLAS455D)

MSP430F42x0
MIXED SIGNAL MICROCONTROLLER
SLAS455D − MARCH 2005 − REVISED APRIL 2007
39
POST OFFICE BOX 655303 • DALLAS, TEXAS 75265
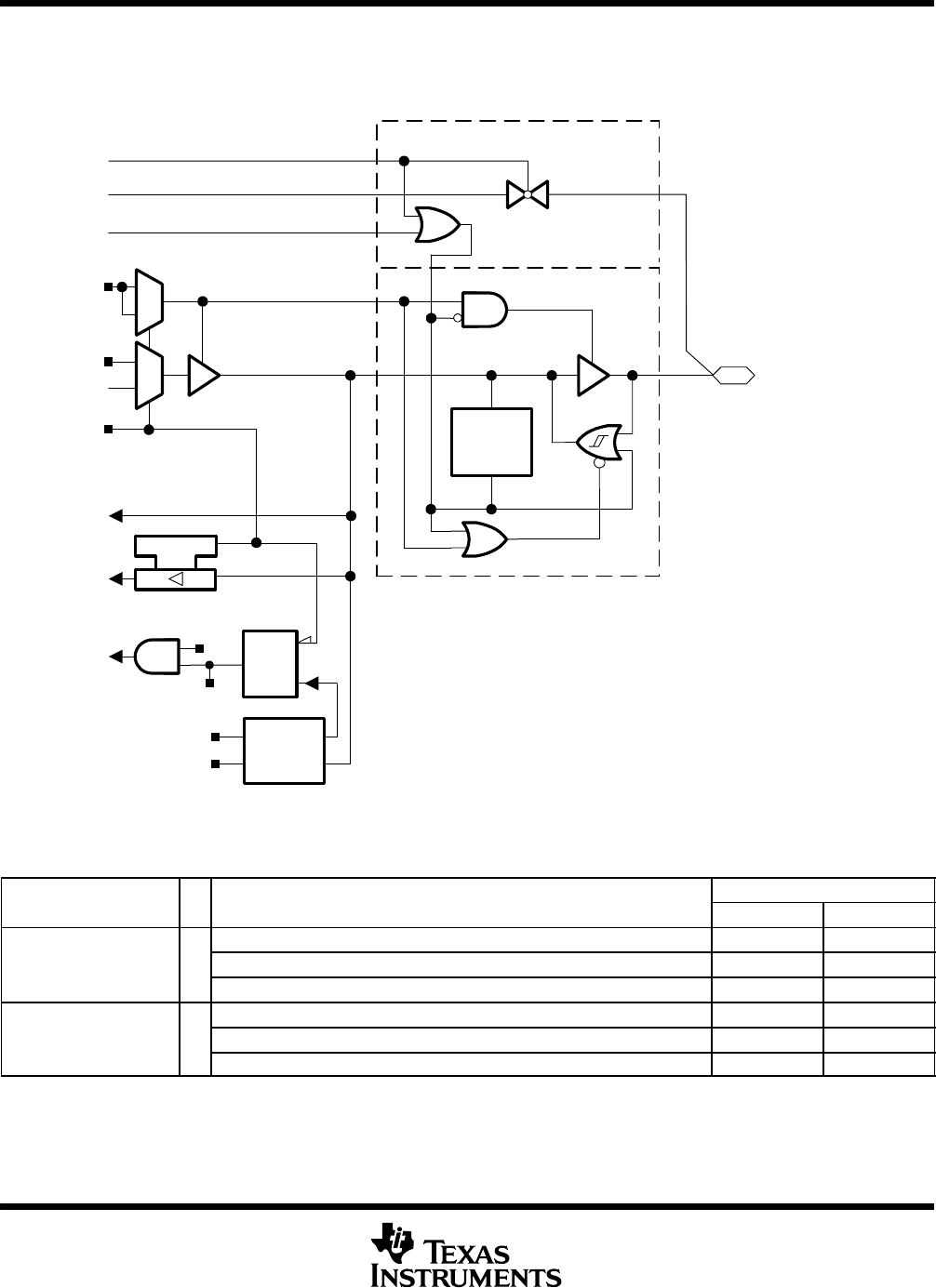
input/output schematics
Port P1 pin schematic: P1.0, P1.1, input/output with Schmitt−trigger
Bus
Keeper
EN
Direction
0: Input
1: Output
P1SEL.x
1
0
P1DIR.x
P1IN.x
DV
SS
DV
SS
Pad Logic
DV
SS
P1IRQ.x
D
EN
Module X IN
1
0
Module X OUT
P1OUT.x
Note: x = 0,1
P1.0/TA0
P1.1/TA0/MCLK
Interrupt
Edge
Select
Q
EN
Set
P1SEL.x
P1IES.x
P1IFG.x
P1IE.x
Port P1 (P1.0, P1.1) pin functions
PIN NAME (P1 X)
X
FUNCTION
CONTROL BITS / SIGNALS
PIN NAME (P1.X)
X FUNCTION
P1DIR.x P1SEL.x
P1.0/TA0 0
P1.0† Input/Output 0/1 0
Timer_A3.CCI0A 0 1
Timer_A3.TA0 1 1
P1.1/TA0/MCLK 1
P1.1† Input/Output 0/1 0
Timer_A3.CCI0B 0 1
MCLK 1 1
†
Default after reset (PUC/POR)
NOTES: 1. N/A: Not available or not applicable.
2. X: Don’t care.










