Datasheet

Table Of Contents
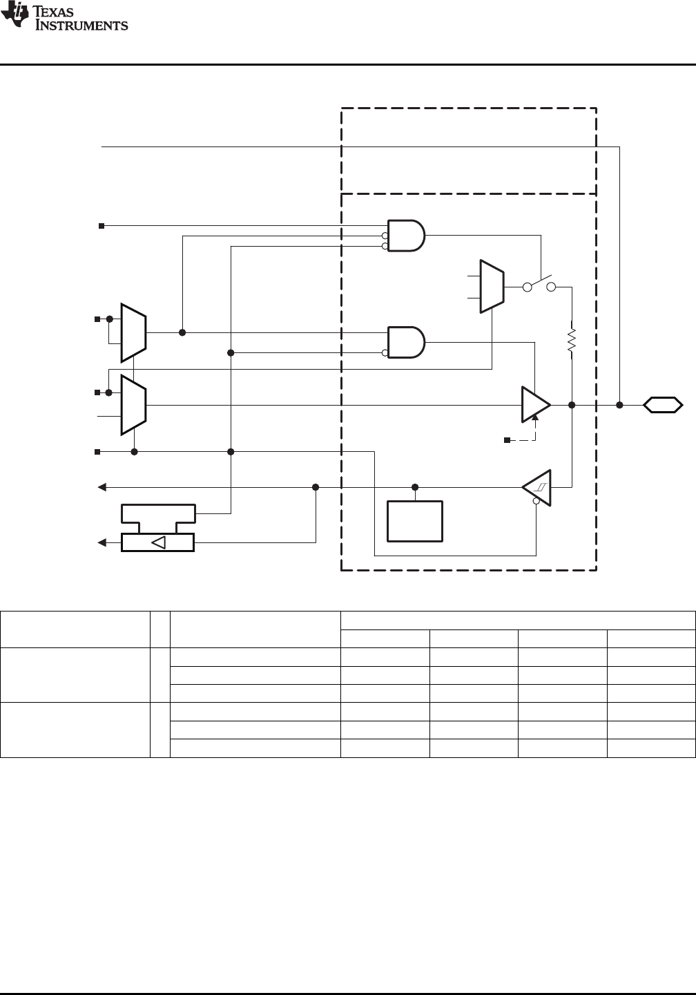
P5.3/XT2OUT
P5SEL.3
1
0
P5DIR.3
P5IN.3
EN
ModuleXIN
1
0
ModuleXOUT
P5OUT.3
1
0
DV
SS
DV
CC
P5REN.3
PadLogic
1
P5DS.3
0:Lowdrive
1:Highdrive
D
Bus
Keeper
ToXT2
MSP430F5342, MSP430F5341, MSP430F5340
www.ti.com
SLAS706E JULY 2011REVISED AUGUST 2013
Port P5, P5.3, Input/Output With Schmitt Trigger
Table 49. Port P5 (P5.2, P5.3) Pin Functions
CONTROL BITS/SIGNALS
(1)
PIN NAME (P5.x) x FUNCTION
P5DIR.x P5SEL.2 P5SEL.3 XT2BYPASS
P5.2/XT2IN 2 P5.2 (I/O) I: 0; O: 1 0 X X
XT2IN crystal mode
(2)
X 1 X 0
XT2IN bypass mode
(2)
X 1 X 1
P5.3/XT2OUT 3 P5.3 (I/O) I: 0; O: 1 0 X X
XT2OUT crystal mode
(3)
X 1 X 0
P5.3 (I/O)
(3)
X 1 X 1
(1) X = Don't care
(2) Setting P5SEL.2 causes the general-purpose I/O to be disabled. Pending the setting of XT2BYPASS, P5.2 is configured for crystal
mode or bypass mode.
(3) Setting P5SEL.2 causes the general-purpose I/O to be disabled in crystal mode. When using bypass mode, P5.3 can be used as
general-purpose I/O.
Copyright © 2011–2013, Texas Instruments Incorporated Submit Documentation Feedback 71
Product Folder Links: MSP430F5342 MSP430F5341 MSP430F5340