Datasheet
Table Of Contents

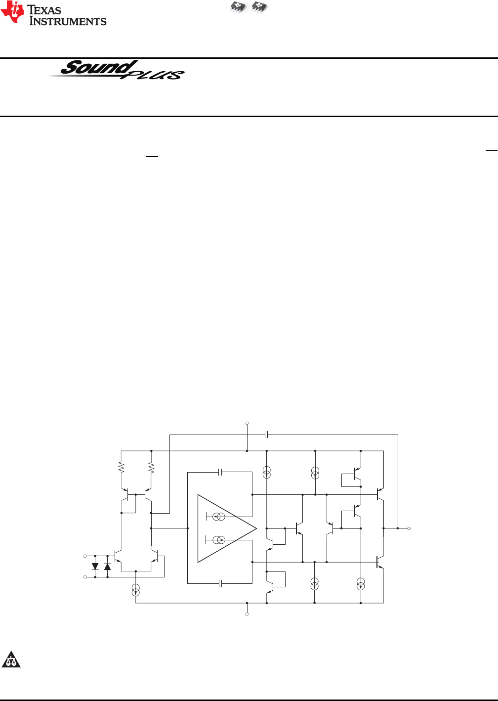
Burr-BrownAudio
IN-
Pre-OutputDriver
OUT
V-
V+
IN+
OPA1602
OPA1604
www.ti.com
SBOS474B –APRIL 2011–REVISED NOVEMBER 2011
™ High-Performance, Bipolar-Input
AUDIO OPERATIONAL AMPLIFIERS
Check for Samples: OPA1602, OPA1604
1
FEATURES
DESCRIPTION
The OPA1602 and OPA1604 bipolar-input
234
• SUPERIOR SOUND QUALITY
operational amplifiers achieve very low 2.5nV/√Hz
• ULTRALOW NOISE: 2.5nV/√Hz at 1kHz
noise density with an ultralow distortion of 0.00003%
• ULTRALOW DISTORTION: 0.00003% at 1kHz
at 1kHz. The OPA1602 and OPA1604 series of op
amps offer rail-to-rail output swing to within 600mV
• HIGH SLEW RATE: 20V/μs
with 2kΩ load, which increases headroom and
• WIDE BANDWIDTH: 35MHz (G = +1)
maximizes dynamic range. These devices also have
• HIGH OPEN-LOOP GAIN: 120dB
a high output drive capability of ±30mA.
• UNITY GAIN STABLE
These devices operate over a very wide supply range
• LOW QUIESCENT CURRENT:
of ±2.25V to ±18V, on only 2.6mA of supply current
2.6mA PER CHANNEL
per channel. The OPA1602 and OPA1604 are
unity-gain stable and provide excellent dynamic
• RAIL-TO-RAIL OUTPUT
behavior over a wide range of load conditions.
• WIDE SUPPLY RANGE: ±2.25V to ±18V
These devices also feature completely independent
• DUAL AND QUAD VERSIONS AVAILABLE
circuitry for lowest crosstalk and freedom from
interactions between channels, even when overdriven
APPLICATIONS
or overloaded.
• PROFESSIONAL AUDIO EQUIPMENT
The OPA1602 and OPA1604 are specified
• BROADCAST STUDIO EQUIPMENT
from –40°C to +85°C. SoundPlus™
• ANALOG AND DIGITAL MIXERS
• HIGH-END A/V RECEIVERS
• HIGH-END BLU-RAY™ PLAYERS
1
Please be aware that an important notice concerning availability, standard warranty, and use in critical applications of Texas
Instruments semiconductor products and disclaimers thereto appears at the end of this data sheet.
2SoundPlus is a trademark of Texas Instruments Incorporated.
3BLU-RAY is a trademark of Blu-ray Disc Association.
4All other trademarks are the property of their respective owners.
PRODUCTION DATA information is current as of publication date.
Copyright © 2011, Texas Instruments Incorporated
Products conform to specifications per the terms of the Texas
Instruments standard warranty. Production processing does not
necessarily include testing of all parameters.










