Datasheet
Table Of Contents
- FEATURES
- APPLICATIONS
- DESCRIPTION
- ABSOLUTE MAXIMUM RATINGS
- RECOMMENDED OPERATING CONDITIONS
- ELECTRICAL CHARACTERISTICS
- PIN ASSIGNMENTS
- TYPICAL CHARACTERISTICS: INTERNAL FILTER
- TYPICAL CHARACTERISTICS
- GENERAL DESCRIPTION

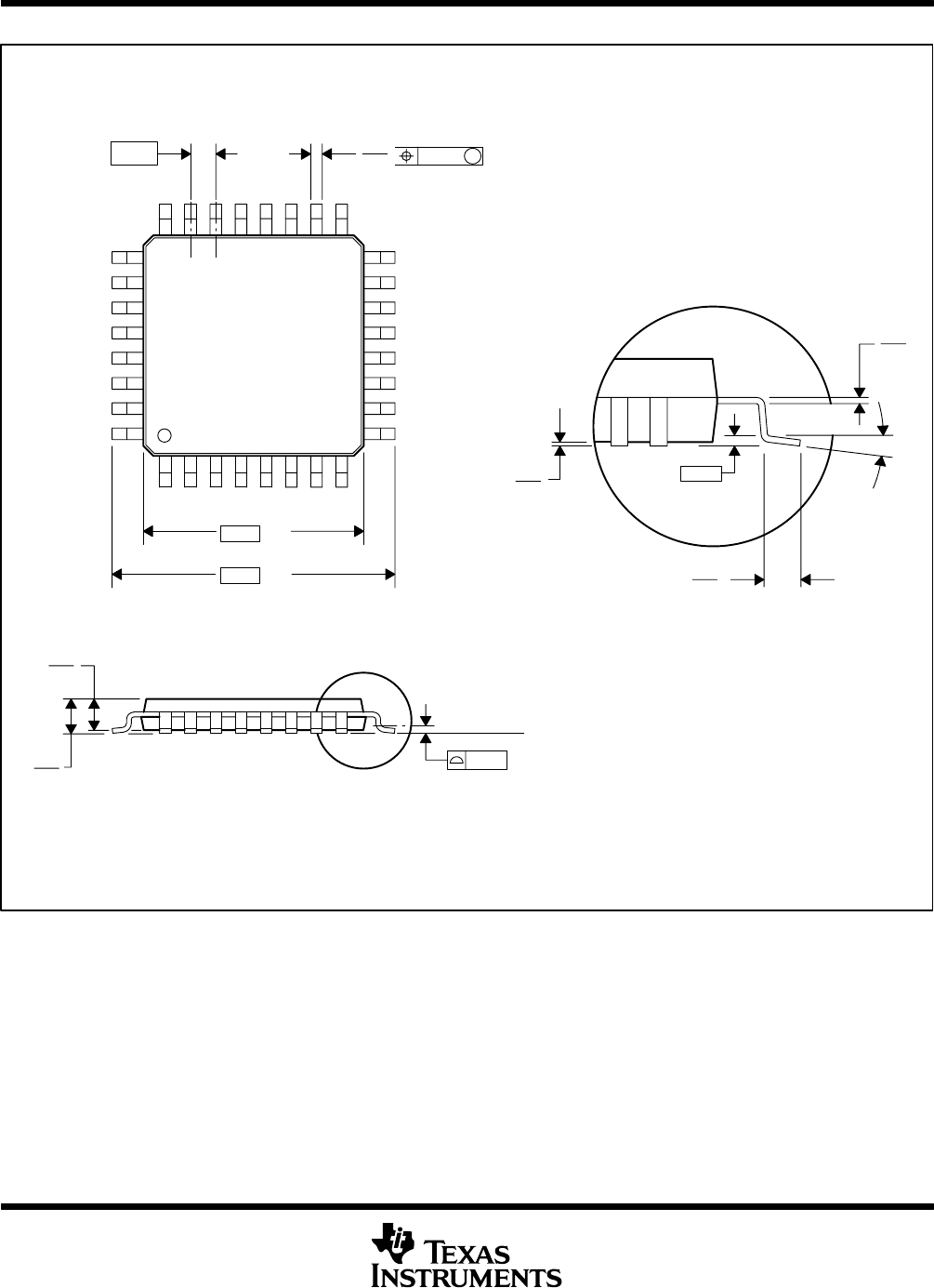
MECHANICAL DATA
MPQF112 – NOVEMBER 2001
1
POST OFFICE BOX 655303 • DALLAS, TEXAS 75265
PJT (S-PQFP–N32) PLASTIC QUAD FLATPACK
4203540/A 11/01
1
0,45
0,30
32
7,00
SQ
0,95
1,05
Seating Plane
0,45
0,75
0,25
Gage Plane
0,80
0,20
SQ
9,00
1,00
1,20
0,10
0,05
0,15
0,20
0,09
M
0°– 7°
NOTES: A. All linear dimensions are in millimeters.
B. This drawing is subject to change without notice.
C. Falls within JEDEC MS-026










