Datasheet
Table Of Contents
- FEATURES
- APPLICATIONS
- DESCRIPTION
- ABSOLUTE MAXIMUM RATINGS
- RECOMMENDED OPERATING CONDITIONS
- ELECTRICAL CHARACTERISTICS
- PIN ASSIGNMENTS
- TYPICAL CHARACTERISTICS: INTERNAL FILTER
- TYPICAL CHARACTERISTICS
- GENERAL DESCRIPTION

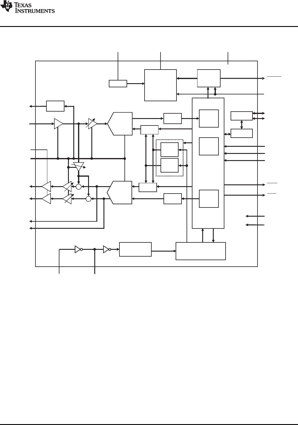
FUNCTIONAL BLOCK DIAGRAM
PLL (x16)
V
IN
V L
OUT
USBProtocol
Controller
XTI
D–
D+
SSPND
96MHz
Tracker
(SpAct
®
)
FIFO
Analog
PLL
Power
Manager
V
BUS
AGND/ HGND/ PGND/DGND
6.000MHz
XTO
ISO-In
Endpoint
Control
Endpoint
POWER
Analog
PLL
5Vto3.3V
Voltage
Regulator
REC
XCVR
USBSIE
Selector
Selector
FIFO
MIC
AMP
+20/0dB
HP AMP 15mW (at32 )W
ATT 0 dB~ –76 dB
in1 dBsteps withMute
V
COM2
PGA + 30 dB~ –12 dB
in1 dBsteps
S
S
MIC
BIAS
MBIAS
ATT 0dB~ –76 dB
in1 dBstepswith Mute
PLAY
TEST0
TEST1
MAMP
MMUTE
V
REF
BGND
DAC
ADC
FL
FR
V /V /V L/V R/V
CCA CCP CC CC DD
ISO-Out
Endpoint
V
COM1
V R
OUT
PCM2912A
www.ti.com
.......................................................................................................................................................................................... SLES230 – SEPTEMBER 2008
Copyright © 2008, Texas Instruments Incorporated Submit Documentation Feedback 9
Product Folder Link(s): PCM2912A










