Datasheet
Table Of Contents
- FEATURES
- APPLICATIONS
- DESCRIPTION
- ENVIRONMENTAL AND ABSOLUTE MAXIMUM RATINGS
- ELECTRICAL CHARACTERISTICS
- ELECTRICAL CHARACTERISTICS
- TYPICAL CHARACTERISTICSThe electrical characteristic data has been developed from actual products tested at 25C. This data is considered typical for the converter. Applies to , , and .The temperature derating curves represent the conditions at which internal components are at or below the manufacturer's maximum operating temperatures. Derating limits apply to modules soldered directly to a 100 mm x 100 mm double-sided PCB with 2 oz. copper. For surface mount packages (AS and AZ suffix), multiple vias must be utilized. Please refer to the mechanical specification for more information. Applies to .
- TYPICAL CHARACTERISTICSThe electrical characteristic data has been developed from actual products tested at 25C. This data is considered typical for the converter. Applies to , , and .The temperature derating curves represent the conditions at which internal components are at or below the manufacturer's maximum operating temperatures. Derating limits apply to modules soldered directly to a 100 mm x 100 mm double-sided PCB with 2 oz. copper. For surface mount packages (AS and AZ suffix), multiple vias must be utilized. Please refer to the mechanical specification for more information. Applies to .
- APPLICATION INFORMATION
- ADJUSTING THE OUTPUT VOLTAGE
- CAPACITOR RECOMMENDATIONS FOR THE PTH04T240/241W POWER MODULE
- TurboTrans Technology
- TurboTrans Selection
- UNDERVOLTAGE LOCKOUT (UVLO)
- Soft-Start Power Up
- On/Off Inhibit
- Smart Sync
- Overcurrent Protection
- Overtemperature Protection (OTP)
- Differential Output Voltage Remote Sense
- Auto-Track Function
- Tape & Reel and Tray Drawings

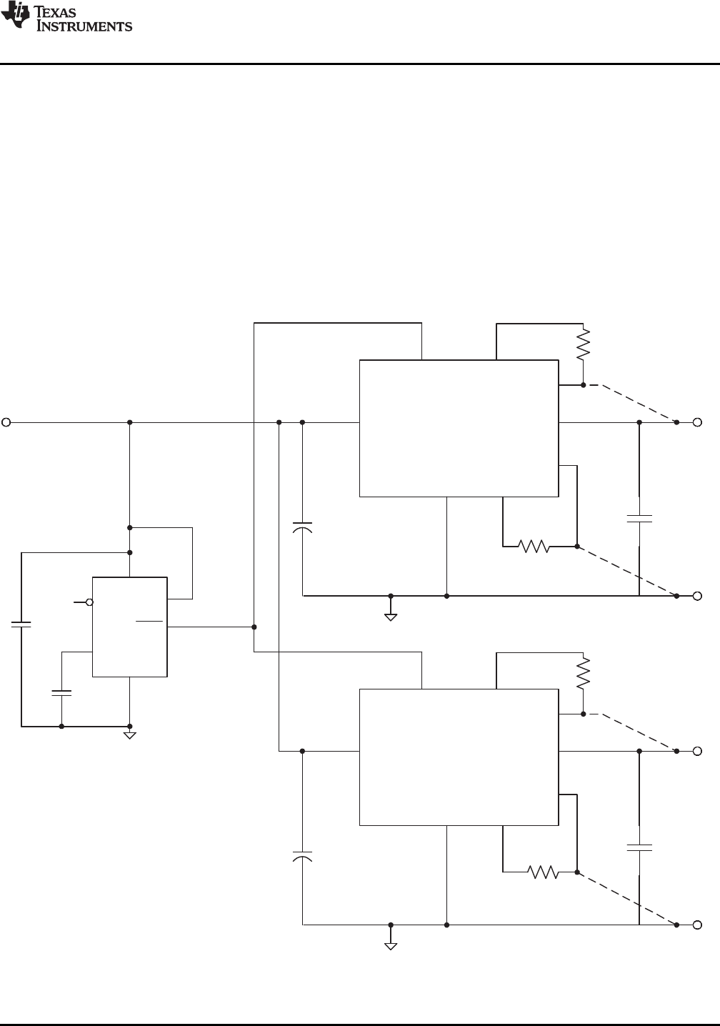
Notes on Use of Auto-Track™
V
I
= 5 V
Vo
1
= 3.3 V
R
SET1
+
Vo
2
= 1.8 V
U1
U2
+
PTH04T240W
V
I
V
O
+Sense
GND
V
O
Adj
PTH04T230W
V
I
V
O
+Sense
−Sense
GND
AutoTrack
V
O
Adj
R
SET2
TurboTrans
TurboTransAutoTrack
C4
V
CC
GND
SENSEMR
CT
RESET
6
5
3
4
1
2
TPS3808G50
C3
4700 pF
0.1 µF
−Sense
1.21 kΩ
4.75 kΩ
C
O1
C
O2
C
I1
C
I2
U3
R
TT
R
TT
PTH04T240W , PTH04T241W
www.ti.com
...................................................................................................................................................... SLTS276D – OCTOBER 2006 – REVISED JULY 2009
1. The Track pin voltage must be allowed to rise above the module set-point voltage before the module
regulates at its adjusted set-point voltage.
2. The Auto-Track function tracks almost any voltage ramp during power up, and is compatible with ramp
speeds of up to 1 V/ms.
3. The absolute maximum voltage that may be applied to the Track pin is the input voltage V
I
.
4. The module cannot follow a voltage at its track control input until it has completed its soft-start initialization.
This takes about 20 ms from the time that a valid voltage has been applied to its input. During this period, it
is recommended that the Track pin be held at ground potential.
5. The Auto-Track function is disabled by connecting the Track pin to the input voltage (V
I
). When Auto-Track is
disabled, the output voltage rises according to its softstart rate after input power has been applied.
6. The Auto-Track pin should never be used to regulate the module's output voltage for long-term, steady-state
operation.
Figure 24. Sequenced Power Up and Power Down Using Auto-Track
Copyright © 2006 – 2009, Texas Instruments Incorporated Submit Documentation Feedback 29
Product Folder Link(s): PTH04T240W PTH04T241W










