Datasheet
Manuals
Brands
TEXAS INSTRUMENTS Manuals
Linear ICs
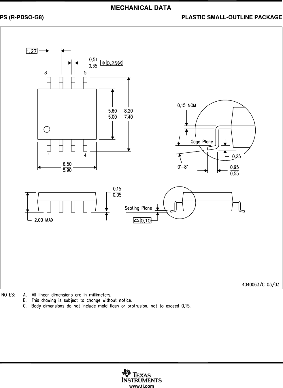
Linear IC - Op-amp Multi-purpose SOIC 8
11
12
13
14
15
16
17
18
19
20
Table Of Contents
FEATURES
DESCRIPTION/ORDERING INFORMATION
Absolute Maximum Ratings
Recommended Operating Conditions
Electrical Characteristics
Operating Characteristics
TYPICAL CHARACTERISTICS
1
...
...
18
19
20
21
22
...
23