Datasheet

REF3112, 3120, 3125, 3130, 3133, 3140
9
SBVS046C
www.ti.com
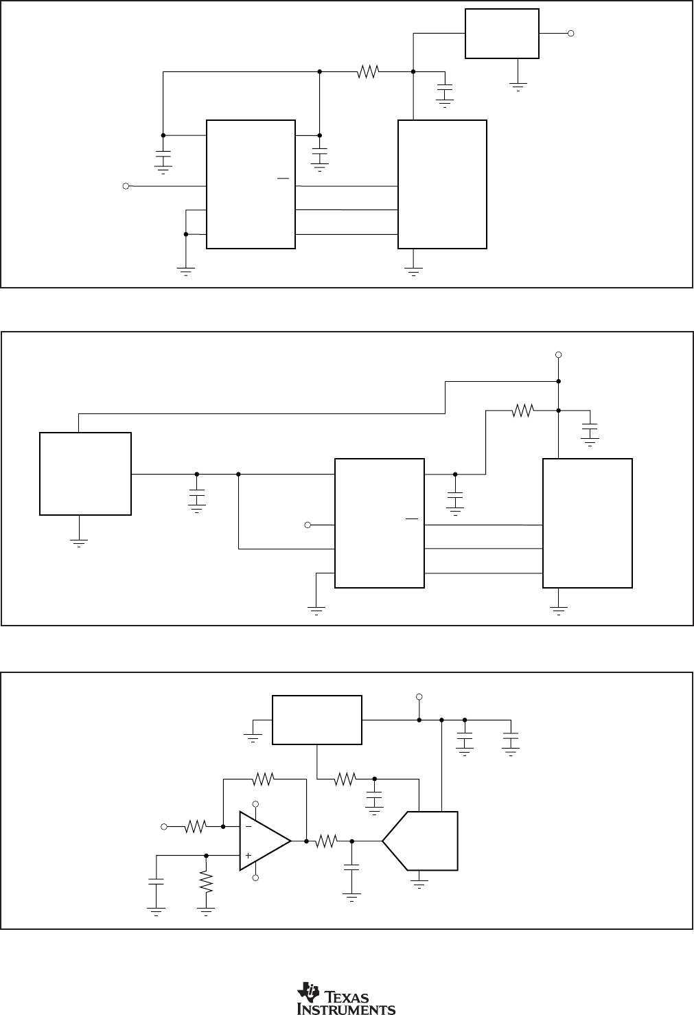
FIGURE 6. Basic Data Acquisition System 1.
FIGURE 7. Basic Data Acquisition System 2.
ADS7822
V
CC
CS
D
OUT
DCLOCK
V
REF
+In
In
GND
+
+
5
1µF to 10µF
1µF to
10µF
3.3V
0.1µF
V
IN
V+
V
S
Microcontroller
REF3133
GND
ADS8324
V
CC
CS
D
OUT
DCLOCK
V
REF
+In
In
GND
+
+
5
1µF to 10µF
1µF to 10µF
0.1µF
0V to 1.25V
Microcontroller
2.5V Supply
REF3112
GND
V
IN
2.5V
V
OUT
= 1.25V
V
S
FIGURE 8. REF3140 Provides an Accurate Reference for Driving the ADS8381.
ADS8381
REF3140
101k
1k
10
0.1µF 1µF
22µF
V
OUT
=
4.096V
V
REF
5V
500
0.22µF
THS4031
+5V
5V
V
IN
6800pF