Datasheet
Table Of Contents
- FEATURES
- DESCRIPTION
- DESCRIPTION (Continued)
- Differences Between TLK2201B, TLK2201BI, and TNETE2201
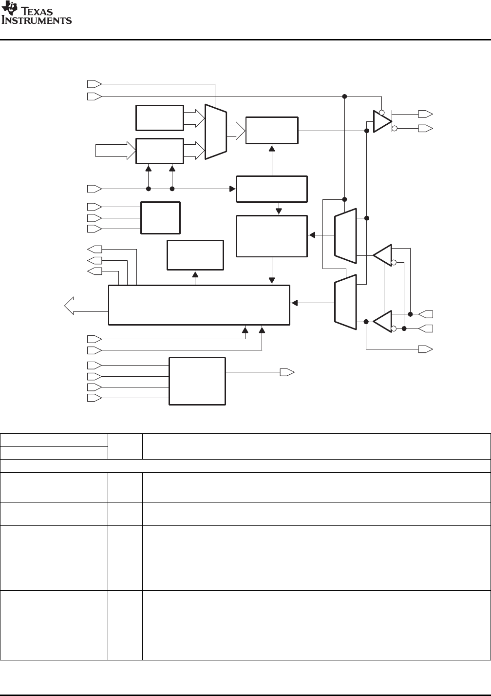
- BLOCK DIAGRAM
- DETAILED DESCRIPTION
- ABSOLUTE MAXIMUM RATINGS
- DISSIPATION RATINGS
- THERMAL CHARACTERISTICS
- RECOMMENDED OPERATING CONDITIONS
- TLK2201B REFERENCE CLOCK (REFCLK) TIMING REQUIREMENTS
- TLK2201BI REFERENCE CLOCK (REFCLK) TIMING REQUIREMENTS
- TTL ELECTRICAL CHARACTERISTICS
- TRANSMITTER/RECEIVER CHARACTERISTICS
- LVTTL OUTPUT SWITCHING CHARACTERISTICS
- TRANSMITTER TIMING REQUIREMENTS
- APPLICATION INFORMATION

www.ti.com
BLOCK DIAGRAM
2:1
MUX
PRBS
Generator
10Bit
Registers
TD(0−9)
PRBSEN
LOOPEN
Parallelto
Serial
PhaseGenerator
Clock
REFCLK
Control
Logic
MODESEL
ENABLE
TESTEN
Interpolator
and
ClockExtraction
PRBS
Verification
SerialtoParallel
and
CommaDetect
Clock
RBC1
RBC0
SYNC/PASS
RD(0−9)
SYNCEN
RBCMODE
JTAG
Control
Register
JTMS
JTRSTN
JTDI
TCK
JTDO
2:1
MUX
2:1
MUX
Clock
Data
TXP
TXN
RXP
RXN
LOS
TLK2201B
TLK2201BI
SLLS585C – NOVEMBER 2003 – REVISED FEBRUARY 2008
TERMINAL FUNCTIONS
TERMINAL
I/O DESCRIPTION
NAME NO.
SIGNAL
Differential output transmit. TXP and TXN are differential serial outputs that interface to a copper
TXP 62 PECL
or an optical I/F module. TXP and TXN are put in a high-impedance state when LOOPEN is high
TXN 61 O
and are active when LOOPEN is low.
RXP 54 PECL Differential input receive. RXP and RXN together are the differential serial input interface from a
copper or an optical I/F module.
RXN 52 I
REFCLK 22 I Reference clock. REFCLK is an external input clock that synchronizes the receiver and transmitter
interface (100 MHz to 160 MHz). The transmitter uses this clock to register the input data
(TD0-TD9) for serialization.
In the TBI mode that data is registered on the rising edge of REFCLK.
In the DDR mode, the data is registered on both the rising and falling edges of REFCLK with the
most significant bits aligned to the rising edge of REFCLK.
TD0 – TD9 2 – 4, 6 – 9, I Transmit data. When in the TBI mode (MODESEL = low) these inputs carry 10-bit parallel data
11 – 13 output from a protocol device to the transceiver for serialization and transmission. This 10-bit
parallel data is clocked into the transceiver on the rising edge of REFCLK and transmitted as a
serial stream with TD0 sent as the first bit.
When in the DDR mode (MODESEL = high) only TD0-TD4 are valid. The 5-bit parallel data is
clocked into the transceiver on the rising and falling edge of REFCLK and transmitted as a serial
stream with TD0 sent as the first bit.
Copyright © 2003 – 2008, Texas Instruments Incorporated Submit Documentation Feedback 3
Product Folder Link(s): TLK2201B TLK2201BI










