Datasheet
Table Of Contents

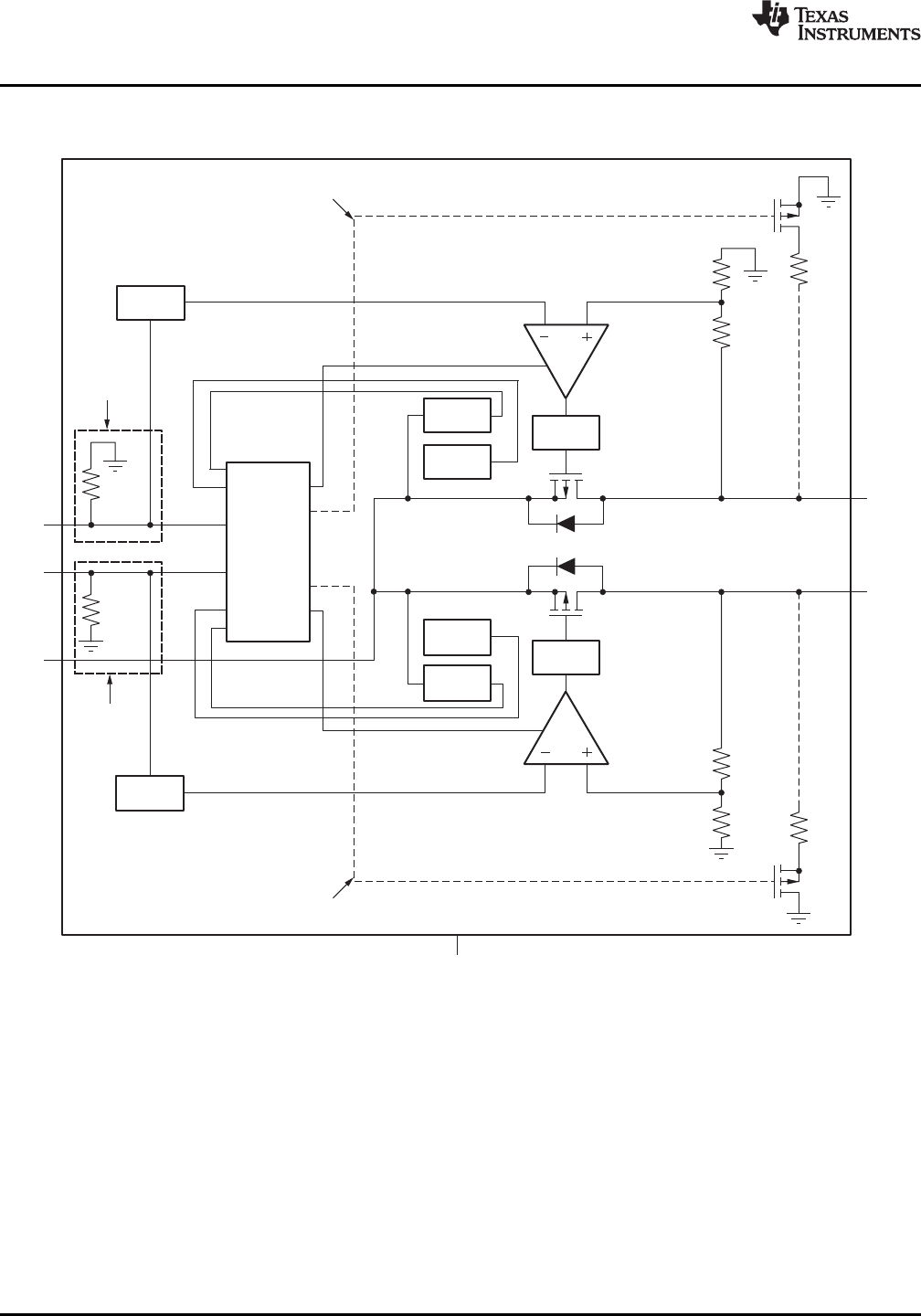
T ermalh
Shutdown
UVLO
TLV710-D
and
TLV711-D
only
TLV711andTLV711-Donly
TLV710-D
and
TLV711-D
only
OUT1
OUT2
EN2
EN1
IN
120W
120W
150kW
Thermal
Shutdown
UVLO
GND
Current
Limit
Current
Limit
Bandgap
Bandgap
Enable
and
Power
Control
Log ci
TLV711andTLV711-Donly
TLV710 Series
TLV711 Series
SBVS142A –JULY 2010–REVISED AUGUST 2010
www.ti.com
FUNCTIONAL BLOCK DIAGRAM
4 Submit Documentation Feedback Copyright © 2010, Texas Instruments Incorporated










