User's Manual Stereo Amplifier TPA3008D2
Table Of Contents
- FEATURES
- DESCRIPTION
- APPLICATIONS
- ABSOLUTE MAXIMUM RATINGS
- DISSIPATION RATING TABLE
- RECOMMENDED OPERATING CONDITIONS
- AVAILABLE OPTIONS
- DC ELECTRICAL CHARACTERISTICS
- AC ELECTRICAL CHARACTERISTICS
- TYPICAL CHARACTERISTICS
- APPLICATION INFORMATION
- CLASS-D OPERATION
- Traditional Class-D Modulation Scheme
- TPA3008D2 Modulation Scheme
- Efficiency: LC Filter Required With the Traditional Class-D Modulation Scheme
- Effects of Applying a Square Wave Into a Speaker
- When to Use an Output Filter for EMI Suppression
- Gain setting via GAIN0 and GAIN1 inputs
- INPUT RESISTANCE
- INPUT CAPACITOR, CI
- SHUTDOWN OPERATION
- USING LOW-ESR CAPACITORS
- SHORT-CIRCUIT PROTECTION AND AUTOMATIC RECOVERY FEATURE
- THERMAL PROTECTION
- PRINTED-CIRCUIT BOARD (PCB) LAYOUT
- BASIC MEASUREMENT SYSTEM
- DIFFERENTIAL INPUT AND BTL OUTPUT
- CLASS-D RC LOW-PASS FILTER

www.ti.com
Biases
and
References
TTL Input
Buffer
(VCC Compl)
Start-up and
Protection
Logic
SC
Detect
Thermal
VDDok
RINP
RINN
Ramp
Generator
COSC
ROSC
VCCok
5-V LDO
AVCC
AVDD
AVDD
VDD
and
PWM
Mode
Logic
Gain
Adj.
Gain
Control
Deglitch
and
PWM
Mode
Logic
Gain
Adj.
LINP
LINN
Gate
Drive
VClamp
Gen
Gate
Drive
PVCC
BSRP
PVCCR(2)
ROUTP(2)
PGNDR
PGNDR
ROUTN(2)
PVCCR(2)
BSRN
Gate
Drive
VClamp
Gen
Gate
Drive
PVCC
BSLP
PVCCL(2)
LOUTP(2)
PGNDL
PGNDL
LOUTN(2)
PVCCL(2)
BSLN
VCLAMPL
VCLAMPR
GAIN0
4
To Gain Adj.
Blocks and
Start-up Logic
SHUTDOWN
V2P5
V2P5
V2P5
AVCC
AGND(2)
V2P5
V2P5
Deglitch
GAIN1
AV
DD
REF
FAULT
TPA3008D2
SLOS435A – MAY 2004 – REVISED JULY 2004
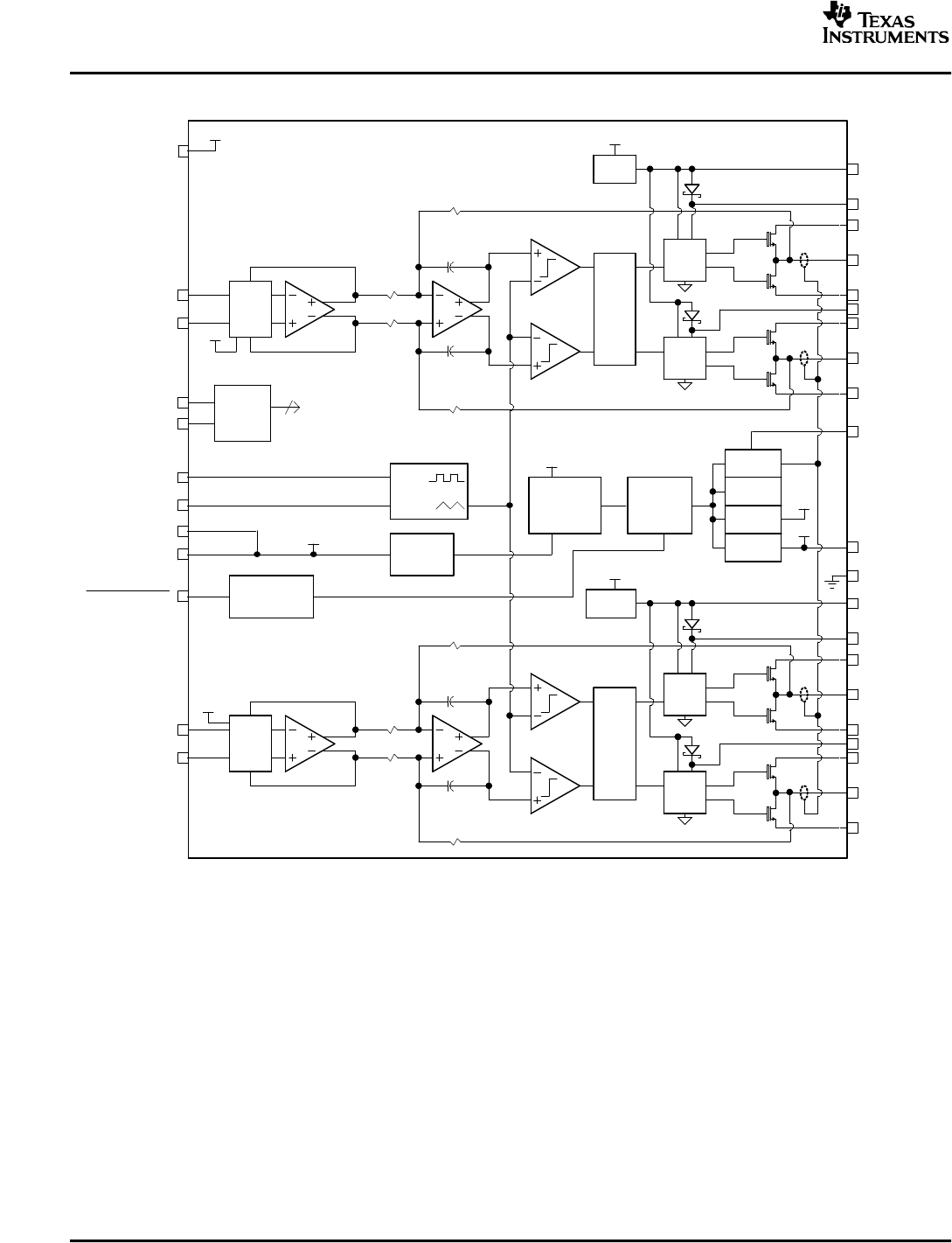
FUNCTIONAL BLOCK DIAGRAM
4










