Datasheet


SLOS386A − NOVEMBER 2001 − REVISED APRIL 2007
    
    
1
www.ti.com
FEATURES
D
Internal Gain Control, Which Eliminates
External Gain-Setting Resistors
D 2-W/Ch Output Power Into 3- Load From 5-V
Supply
D Fully Differential Input
D Low Supply Current ...6-mA Typical
D Depop Circuitry
APPLICATIONS
D
Notebook Computers, PDAs, and Other
Portable Audio Devices
DESCRIPTION
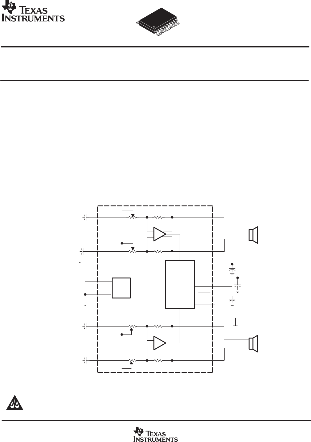
The TPA6017A2 is a stereo audio power amplifier in a
20-pin TSSOP thermally enhanced package capable of
delivering 2 W of continuous RMS power per channel
into 3- loads. Internal gain control minimizes the
number of external components needed, simplifying the
design, and freeing up board space for other features.
Amplifier gain is internally configured and controlled by
way of two terminals (GAIN0 and GAIN1). Gain settings
of 6 dB, 10 dB, 15.6 dB, and 21.6 dB (inverting) are
provided.
3
ROUT+ 18
RIN−
+
17
C
RIN−
0.47 µF
7
RIN+
ROUT−
14
LIN−5
C
LIN−
0.47 µF
9 LIN+
Power
Management
6,15
16
BYPASS
10
SHUT−
DOWN
19
GND
LOUT+
4
+
LOUT−
8
C
BYP
0.47 µF
1,11,
13,20
To
System
Control
C
SR
0.1 µF
V
DD
C
SR
0.1 µF
V
DD
Gain
Control
GAIN0
GAIN1
2
C
RIN+
0.47 µF
Right
Line
Input
Signal
C
LIN+
0.47 µF
Left
Line
Input
Signal
Left
Line
Input
Signal
PV
DD
V
DD
+
+
Application Circuit
  !" # $%&" !#  '%()$!" *!"&+
*%$"# $ " #'&$$!"# '& ",& "&#  &-!# #"%&"#
#"!*!* .!!"/+ *%$" '$&##0 *&# " &$&##!)/ $)%*&
"&#"0  !)) '!!&"&#+
Copyright 2001, Texas Instruments Incorporated
Please be aware that an important notice concerning availability, standard warranty, and use in critical applications of
Texas Instruments semiconductor products and disclaimers thereto appears at the end of this data sheet.

Summary of content (31 pages)