Datasheet
Table Of Contents

RTN
V
C
D
1
C
1
R
DEN
R
CLS
From Ethernet
Transformers
V
DD
V
SS
CLS
From Spare
Pairs or
Transformers
DEN
D
A
AC
Adapter
CDB
T2P
APD
R
APD2
R
APD1
R
T2P
C
BULK
TPS2378
DC/DC Converter
SS
1
3
2
4
6
5
7
8
DEN
CLS
V
DD
V
SS
T2P
CDB
RTN
APD
SO-8 PowerPad
TPS2378
www.ti.com
SLVSB99B –MARCH 2012–REVISED NOVEMBER 2013
IEEE 802.3at PoE High-Power PD Interface
Check for Samples: TPS2378
1
FEATURES
APPLICATIONS
2
• IEEE 802.3at Type-2 Hardware Classification
• IEEE 802.3at-compliant Devices
with Status Flag
• Video and VoIP Telephones
• Adapter Priority Input
• Multiband Access Points
• DC/DC Converter Enable
• Security Cameras
• Robust 100 V, 0.5 Ω Hotswap MOSFET
• Pico-base Stations
• Operating Current up to 850 mA
• Forced, Four-Pair, High Power Devices
• 1A (Typical) Operating Current Limit (SLVA625)
• 15 kV/8 kV System-level ESD Capability
• PowerPAD™ SO-8 Package
DESCRIPTION
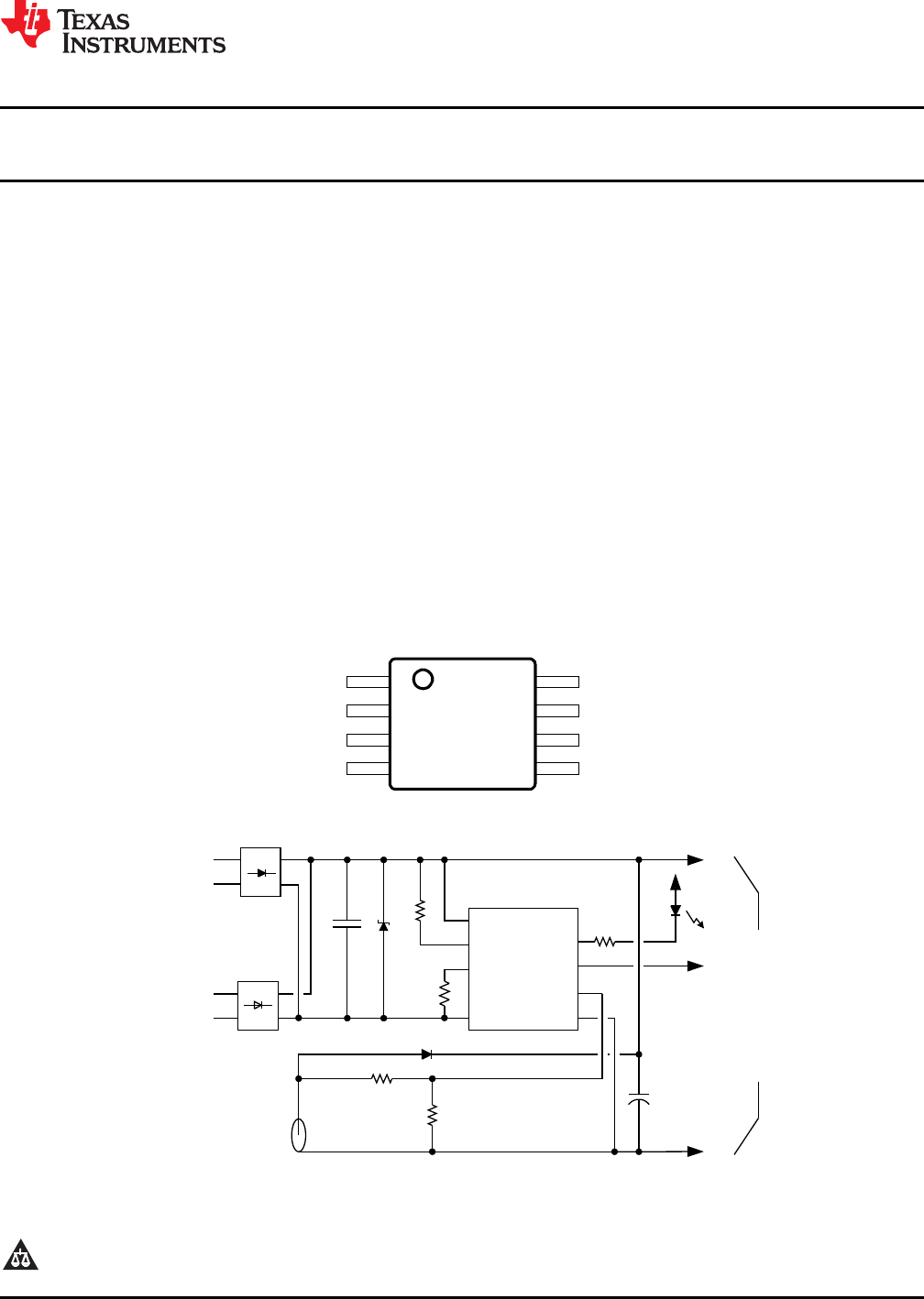
This 8-pin integrated circuit contains all of the features needed to implement an IEEE802.3at type-2 powered
device (PD). The low 0.5 Ω internal switch resistance, combined with the enhanced thermal dissipation of the
PowerPAD™ package, enables this controller to continuously handle up to 0.85 A. The TPS2378 features an
auxiliary power detect (APD) input, providing priority for an external power adapter. It also features a 100 V pass
transistor, 140 mA inrush current limiting, type-2 indication, auto-retry fault protection, and an open-drain power-
good output.
Figure 1. Typical Application
1
Please be aware that an important notice concerning availability, standard warranty, and use in critical applications of
Texas Instruments semiconductor products and disclaimers thereto appears at the end of this data sheet.
2PowerPAD is a trademark of Texas Instruments.
PRODUCTION DATA information is current as of publication date.
Copyright © 2012–2013, Texas Instruments Incorporated
Products conform to specifications per the terms of the Texas
Instruments standard warranty. Production processing does not
necessarily include testing of all parameters.










