Datasheet
Table Of Contents
- FEATURES
- APPLICATIONS
- DESCRIPTION
- ABSOLUTE MAXIMUM RATINGS
- DISSIPATION RATINGS
- RECOMMENDED OPERATING CONDITIONS
- ELECTRICAL CHARACTERISTICS
- DEVICE INFORMATION
- TYPICAL CHARACTERISTICS
- APPLICATION INFORMATION
- PWM Operations
- Adaptive On-Time Control and PWM Frequency
- Loop Compensation
- Ramp Signal
- Light Load Condition in Auto-Skip Operation
- Out-of-Audio™ Light-Load Operation
- Enable and Soft Start
- VREG5/VREG3 Linear Regulators
- VREG5 Switch Over
- VREG3 Switch Over
- Powergood
- Output Discharge Control
- Low-Side Driver
- High-Side Driver
- Current Protection
- Overvoltage and Undervoltage Protection
- UVLO Protection
- Thermal Shutdown
- External Parts Selection
- Layout Considerations
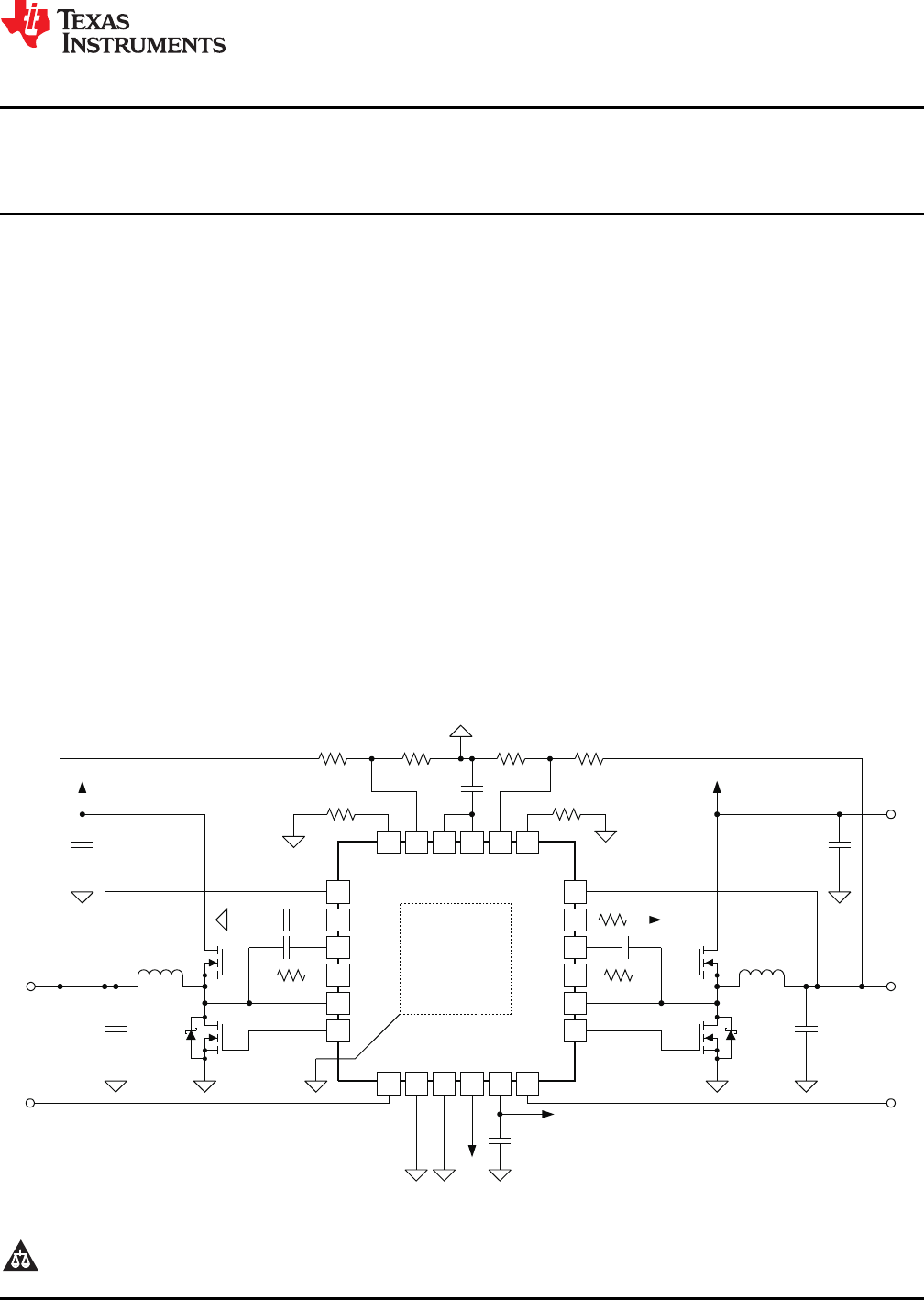
- Application Circuit
- Revision History

7
8
9
10
24
23
22
21
VO1
PGOOD
VBST1
DRVH1
VO2
VREG3
VBST2
DRVH2
TPS51123RGE
(QFN-24)
11
12
20
19
LL1
DRVL1
LL2
DRVL2
13 14 15 16 17 18
EN0
SKIPSEL
GND
VIN
VREG5
ENC
6 5 4 3 2 1
TRIP2
VFB2
TONSEL
VREF
VFB1
TRIP1
PowerPAD
220 nF
20 kW 20 kW 30 kW
100 kW
VREG5
33 mF
5.1 W
0.1 mF
130 kW130 kW
3.3 mF
330 mF
VO1
5 V
VIN
VREG5
ENC
VIN
10 mF x 2
VIN
5.5 V
to
28 V
EN0
5.1 W
0.1 mF
3.3 mF
330 mF
VO2
3.3 V
10 mF x 2
10 mF
13 kW
UDG-08167
VIN
TPS51123
www.ti.com
SLUS890E –DECEMBER 2008–REVISED JANUARY 2013
Dual-Synchronous, Step-Down Controller with Out-of-Audio™ Operation and 100-mA
LDOs for Notebook System Power
Check for Samples: TPS51123
1
FEATURES
APPLICATIONS
2
• Wide-Input Voltage Range: 5.5 V to 28 V
• Notebook Computers
• Output Voltage Range: 2 V to 5.5 V • I/O Supplies
• Built-in 100-mA 5-V/3.3-V LDO with Switches • System Power Supplies
• Built-in 1% 2-V Reference Output
DESCRIPTION
• With/Without Out-of-Audio™ Mode Selectable
The TPS51123 is a cost effective, dual-synchronous
Light-Load and PWM only Operation
buck controller targeted for notebook system power
• Internal 1.6-ms Voltage Servo Softstart
supply solutions. It provides 5-V and 3.3-V LDOs and
• Adaptive On-Time Control Architecture with
requires few external components. The TPS51123
supports high efficiency, fast transient responses and
Four Selectable Frequency Setting
provides a combined power-good signal. Out-of-
• 4500 ppm/°C R
DS(on)
Current Sensing
Audio™ mode light-load operation enables low
• Built-In Output Discharge
acoustic noise at much higher efficiency than
• Power Good Output
conventional forced PWM operation. Adaptive on-
time D-CAP™ control provides convenient and
• Built-in OVP/UVP/OCP
efficient operation. The part operates with supply
• Thermal Shutdown (Non-latch)
input voltages ranging from 5.5 V to 28 V and
• 24-Pin QFN (RGE) Package
supports output voltages from 2 V to 5.5 V. The
TPS51123 is available in a 24-pin QFN package and
is specified from -40°C to 85°C ambient temperature
range.
1
Please be aware that an important notice concerning availability, standard warranty, and use in critical applications of
Texas Instruments semiconductor products and disclaimers thereto appears at the end of this data sheet.
2Out-of-Audio, D-CAP are trademarks of Texas Instruments.
PRODUCTION DATA information is current as of publication date.
Copyright © 2008–2013, Texas Instruments Incorporated
Products conform to specifications per the terms of the Texas
Instruments standard warranty. Production processing does not
necessarily include testing of all parameters.










