Datasheet
Table Of Contents

www.ti.com
_
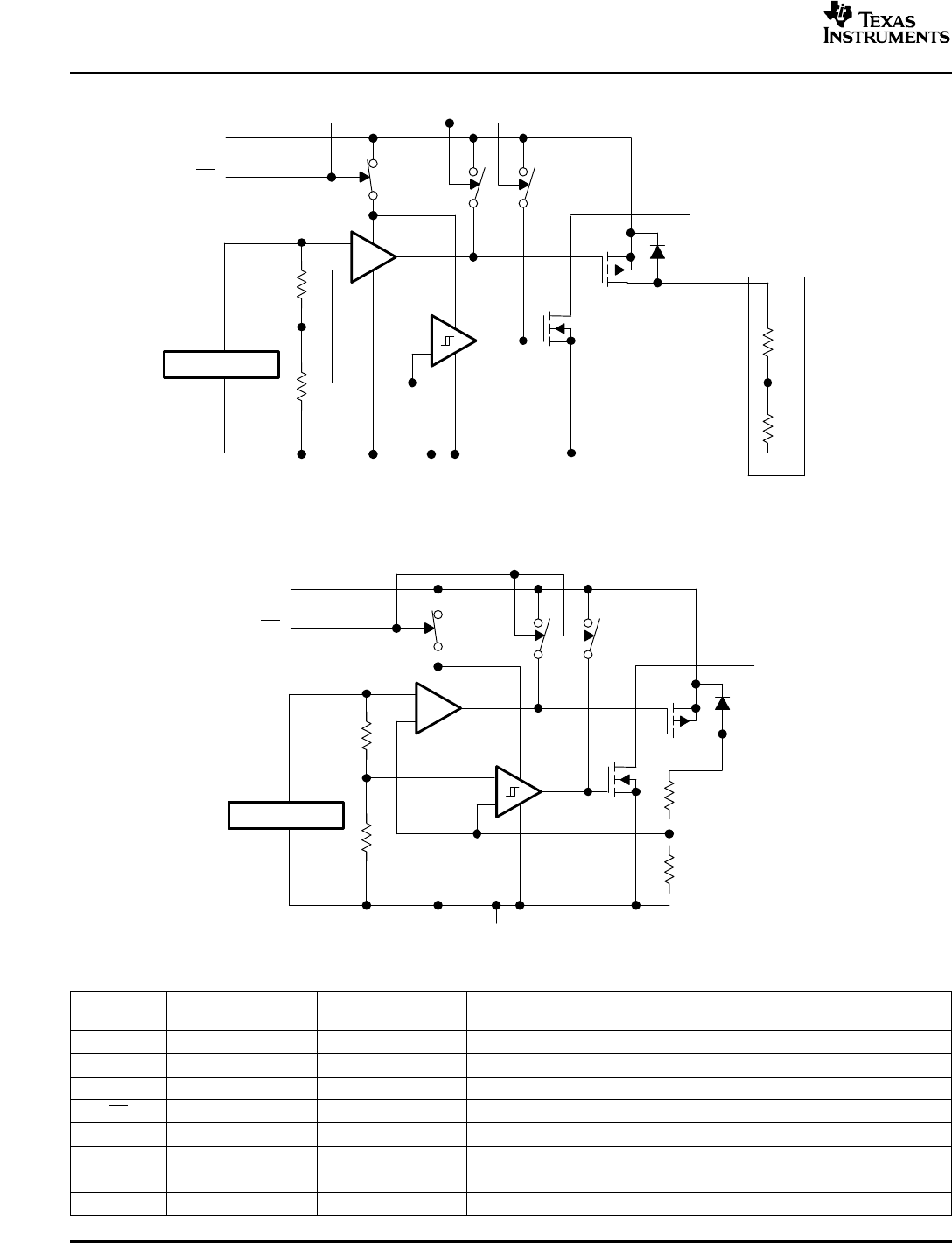
+
V
ref
= 1.1834 V
OUT
FB/NC
EN
GND
PG
_
+
IN
External
to
the
device
R1
R2
_
+
V
ref
= 1.1834 V
OUT
EN
GND
R1
R2
_
+
IN
PG
TPS768xxQ
SLVS211L – JUNE 1999 – REVISED JANUARY 2006
FUNCTIONAL BLOCK DIAGRAM—Adjustable Version
FUNCTIONAL BLOCK DIAGRAM—Fixed-Voltage Version
Terminal Functions
SOIC-8 (D) TSSOP-20 (PWP)
NAME PIN NO. PIN NO. DESCRIPTION
GND 1 3 Regulator ground
GND/HSINK — 1, 2, 9-12, 19, 20 Regulator ground and heatsink
NC — 4, 8, 17, 18 No connect
EN 2 5 Enable input
IN 3, 4 6, 7 Input voltage
OUT 5, 6 13, 14 Regulated output voltage
FB/NC 7 15 Feedback input voltage for adjustable device (no connect for fixed options)
PG 8 16 PG output
4
Submit Documentation Feedback










