- TVP5147M1PFP NTSC/PAL/SECAM 2x10-Bit Digital Video Decoder (Rev. A

Functional Description
63
SLES140A—March 2007 TVP5147M1PFP
1P1[3]
1M1[0]
1M1[1]
1M1[2]
1M1[3]
NIBBLE 1
FILTER 2
FILTER 1
00
01
10
11
PASS 1
Filter 1
Enable
2
Filter Logic
PASS
1P1[2]
1P1[1]
1P1[0]
D1[3]
D1[2]
D1[1]
D1[0]
NIBBLE 2
D2[3:0]
1P2[3:0]
1M2[3:0]
NIBBLE 3
NIBBLE 4
NIBBLE 5
D3[3:0]
1P3[3:0]
1M3[3:0]
D4[3:0]
1P4[3:0]
1M4[3:0]
D5[3:0]
1P5[3:0]
1M5[3:0]
D1..D5
2P1..2P5
2M1..2M5
PASS 2
Filter 2
Enable
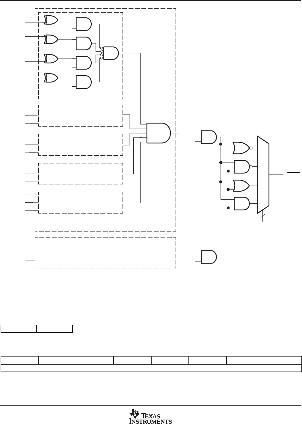
Figure 2−19. Teletext Filter Function
2.11.68 VDP FIFO Word Count Register
Subaddress BCh
Read only
7 6 5 4 3 2 1 0
FIFO word count [7:0]
FIFO word count [7:0]: This register provides the number of words in the FIFO.
NOTE: 1 word equals 2 bytes.










